Toro 72115 (270-H) - 270-H Lawn and Garden Tractor, 1999 (9900001-9999999) CRUISE CONTROL ASSEMBLY Ersatzteile
CRUISE CONTROL ASSEMBLY 72115 (270-H) - Toro 270-H Lawn and Garden Tractor, 1999 (9900001-9999999)

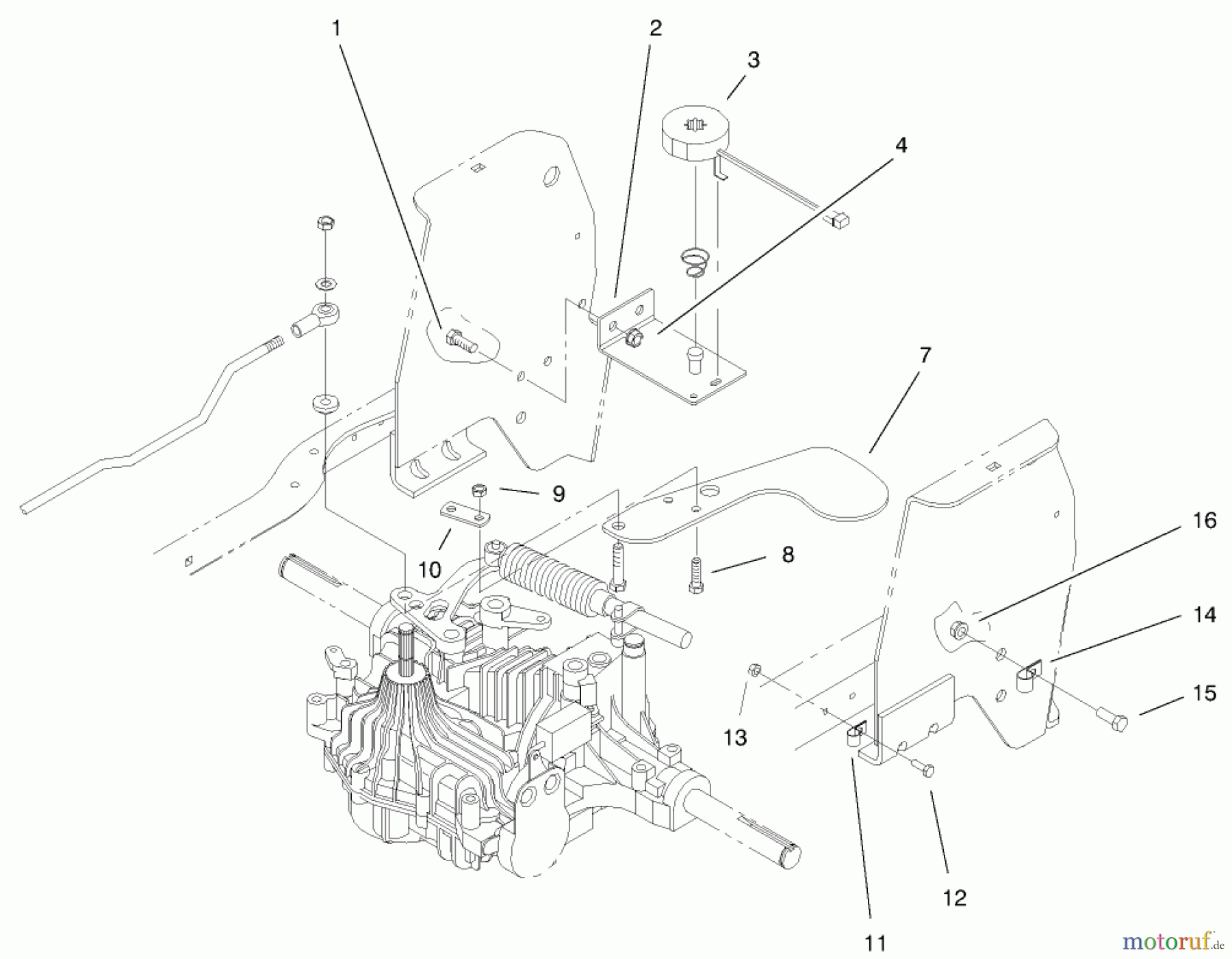
Hier finden Sie die Ersatzteilzeichnung für Toro Neu Mowers, Lawn & Garden Tractor Seite 1 72115 (270-H) - Toro 270-H Lawn and Garden Tractor, 1999 (9900001-9999999) CRUISE CONTROL ASSEMBLY. Wählen Sie das benötigte Ersatzteil aus der Ersatzteilliste Ihres Toro Gerätes aus und bestellen Sie einfach online. Viele Toro Ersatzteile halten wir ständig in unserem Lager für Sie bereit.
| BildNr | Artikel Nummer | Bezeichnung | |
| 1 | TR323-6 | Schraube | |
| 2 | TR99-6767-03 | BRACKET - CRUISE, WA | |
| 3 | TR99-8090 | Magnetschalter | |
| 4 | TR32-9639 | ||
| 7 | TR93-0511 | ARM - CRUISE | |
| 8 | TR322-5 | Schraube | |
| 9 | ![]() | TR3296-29 | Mutter |
| 10 | TR93-0515 | KABELKLEMME | |
| 11 | TR2412-89 | Kabelklemme | |
| 12 | ![]() | TR321-4 | Schraube |
| 13 | ![]() | TR3296-42 | Mutter |
| 14 | TR99-8719 | ARDEN PART NUMBER CFV-0713 | |
| 15 | TR323-6 | Schraube | |
| 16 | TR32-9639 | ||






