Toro 72110 (270-H) - 270-H Lawn and Garden Tractor, 1997 (7900001-7999999) RANGE SHIFT Ersatzteile
RANGE SHIFT 72110 (270-H) - Toro 270-H Lawn and Garden Tractor, 1997 (7900001-7999999)

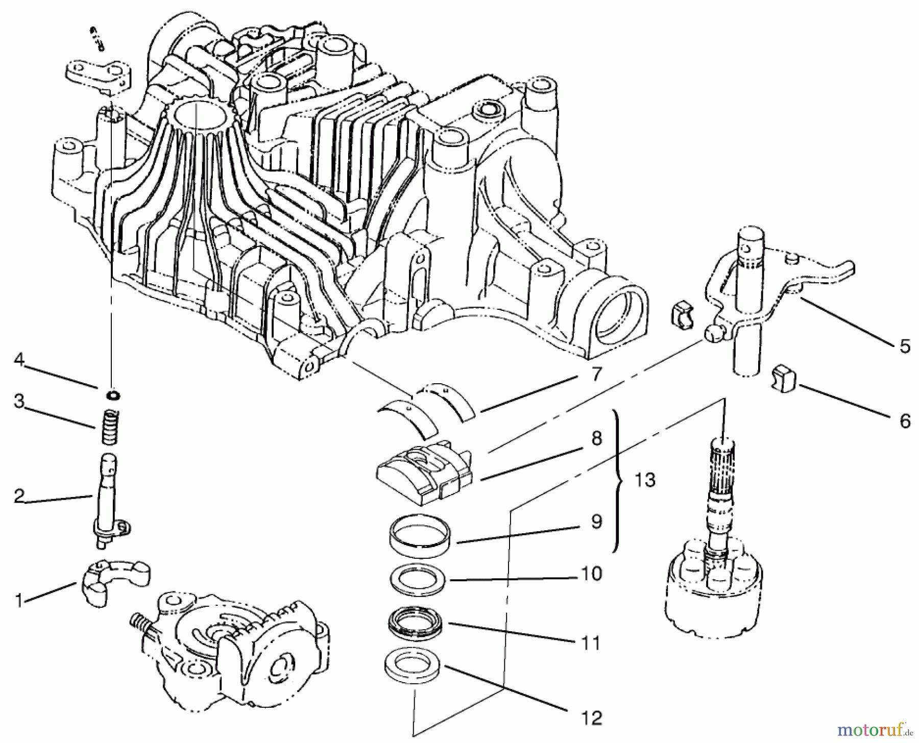
Hier finden Sie die Ersatzteilzeichnung für Toro Neu Mowers, Lawn & Garden Tractor Seite 1 72110 (270-H) - Toro 270-H Lawn and Garden Tractor, 1997 (7900001-7999999) RANGE SHIFT. Wählen Sie das benötigte Ersatzteil aus der Ersatzteilliste Ihres Toro Gerätes aus und bestellen Sie einfach online. Viele Toro Ersatzteile halten wir ständig in unserem Lager für Sie bereit.
| BildNr | Artikel Nummer | Bezeichnung | |
| 1 | TR93-0395 | Schaltarm | |
| 2 | TR93-0397 | Welle | |
| 3 | TR93-0396 | SPRING | |
| 4 | TR93-0400 | Dichtung | |
| 5 | TR93-0398 | Schaltschwinge | |
| 6 | TR | ||
| 7 | TR93-0388 | LAGERPLATTE | |
| 8 | TR | ||
| 9 | TR | ||
| 10 | TR93-0394 | PLATE-THRUST | |
| 11 | TR93-0392 | BEARING | |
| 12 | TR93-0393 | PLATE - THRUST | |
| 13 | TR93-0389 | PLATE-SWASH | |


Qualitätsmanagement
Informieren Sie uns, wenn Sie einen Fehler gefunden haben.

