Toro 72104 (267-H) - 267-H Lawn and Garden Tractor, 1997 (7900001-7999999) PUMP SHAFT Ersatzteile
PUMP SHAFT 72104 (267-H) - Toro 267-H Lawn and Garden Tractor, 1997 (7900001-7999999)

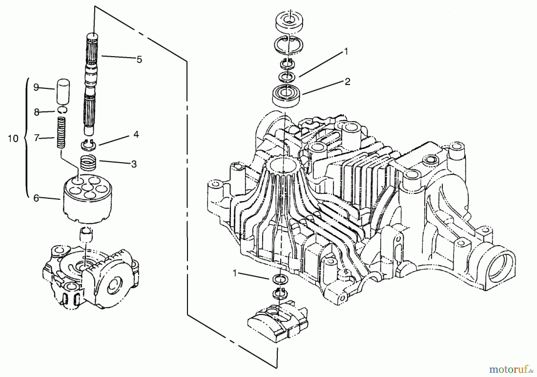
Hier finden Sie die Ersatzteilzeichnung für Toro Neu Mowers, Lawn & Garden Tractor Seite 1 72104 (267-H) - Toro 267-H Lawn and Garden Tractor, 1997 (7900001-7999999) PUMP SHAFT. Wählen Sie das benötigte Ersatzteil aus der Ersatzteilliste Ihres Toro Gerätes aus und bestellen Sie einfach online. Viele Toro Ersatzteile halten wir ständig in unserem Lager für Sie bereit.
| BildNr | Artikel Nummer | Bezeichnung | |
| 1 | TR93-0371 | Scheibe | |
| 2 | TR93-0374 | KUGELLAGER | |
| 3 | TR93-0370 | Druckfeder | |
| 4 | TR93-0373 | Seegerring | |
| 5 | TR93-0372 | SHAFT - PUMP | |
| 6 | TR | ||
| 8 | TR | ||
| 10 | TR93-0365 | ASM - CYCLINDER INC 6-9 | |


Qualitätsmanagement
Informieren Sie uns, wenn Sie einen Fehler gefunden haben.

