Toro 72102 (269-H) - 269-H Lawn and Garden Tractor, 1998 (8900400-8999999) STEERING WHEEL AND TILT Ersatzteile
STEERING WHEEL AND TILT 72102 (269-H) - Toro 269-H Lawn and Garden Tractor, 1998 (8900400-8999999)

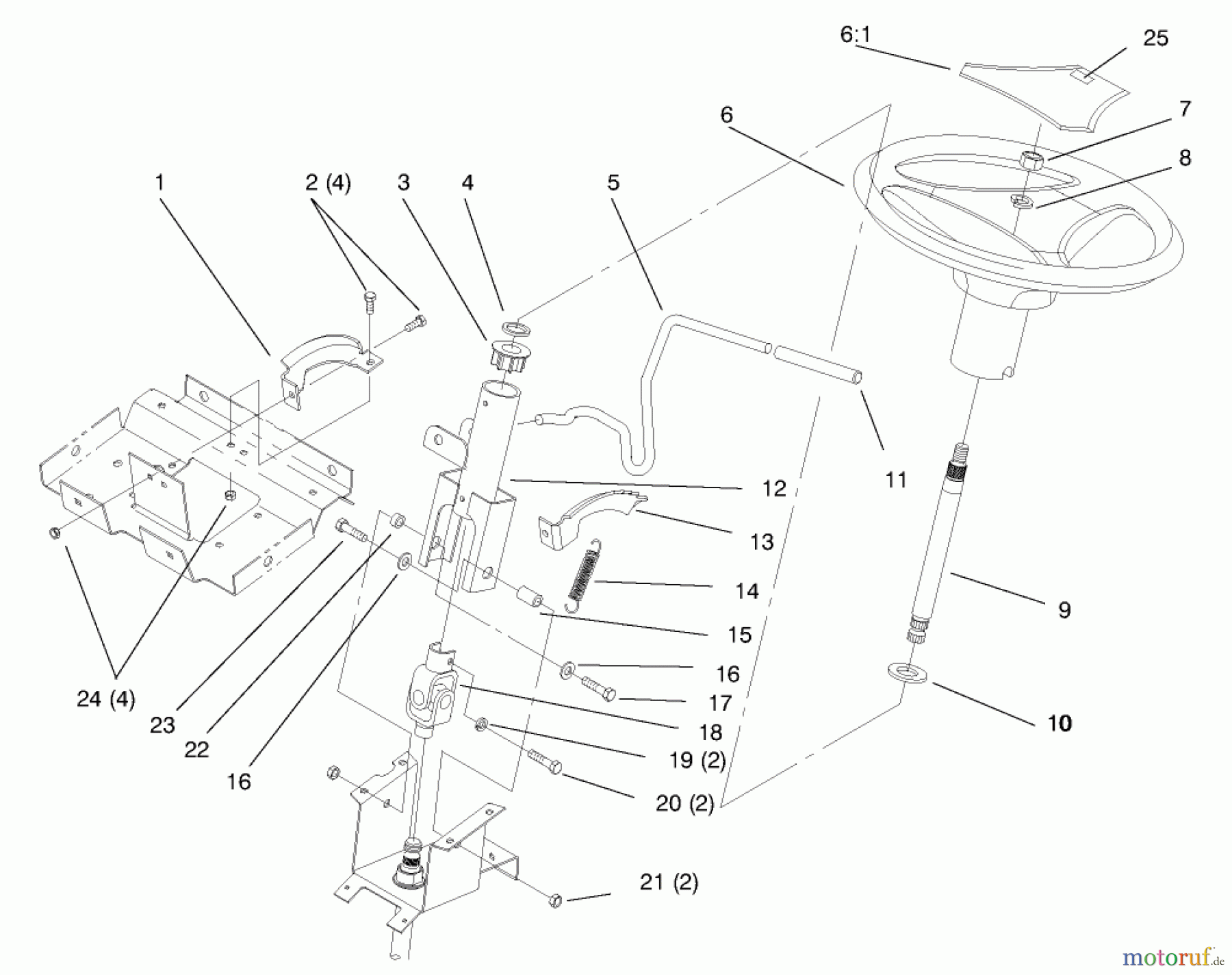
Hier finden Sie die Ersatzteilzeichnung für Toro Neu Mowers, Lawn & Garden Tractor Seite 1 72102 (269-H) - Toro 269-H Lawn and Garden Tractor, 1998 (8900400-8999999) STEERING WHEEL AND TILT. Wählen Sie das benötigte Ersatzteil aus der Ersatzteilliste Ihres Toro Gerätes aus und bestellen Sie einfach online. Viele Toro Ersatzteile halten wir ständig in unserem Lager für Sie bereit.


Qualitätsmanagement
Informieren Sie uns, wenn Sie einen Fehler gefunden haben.



