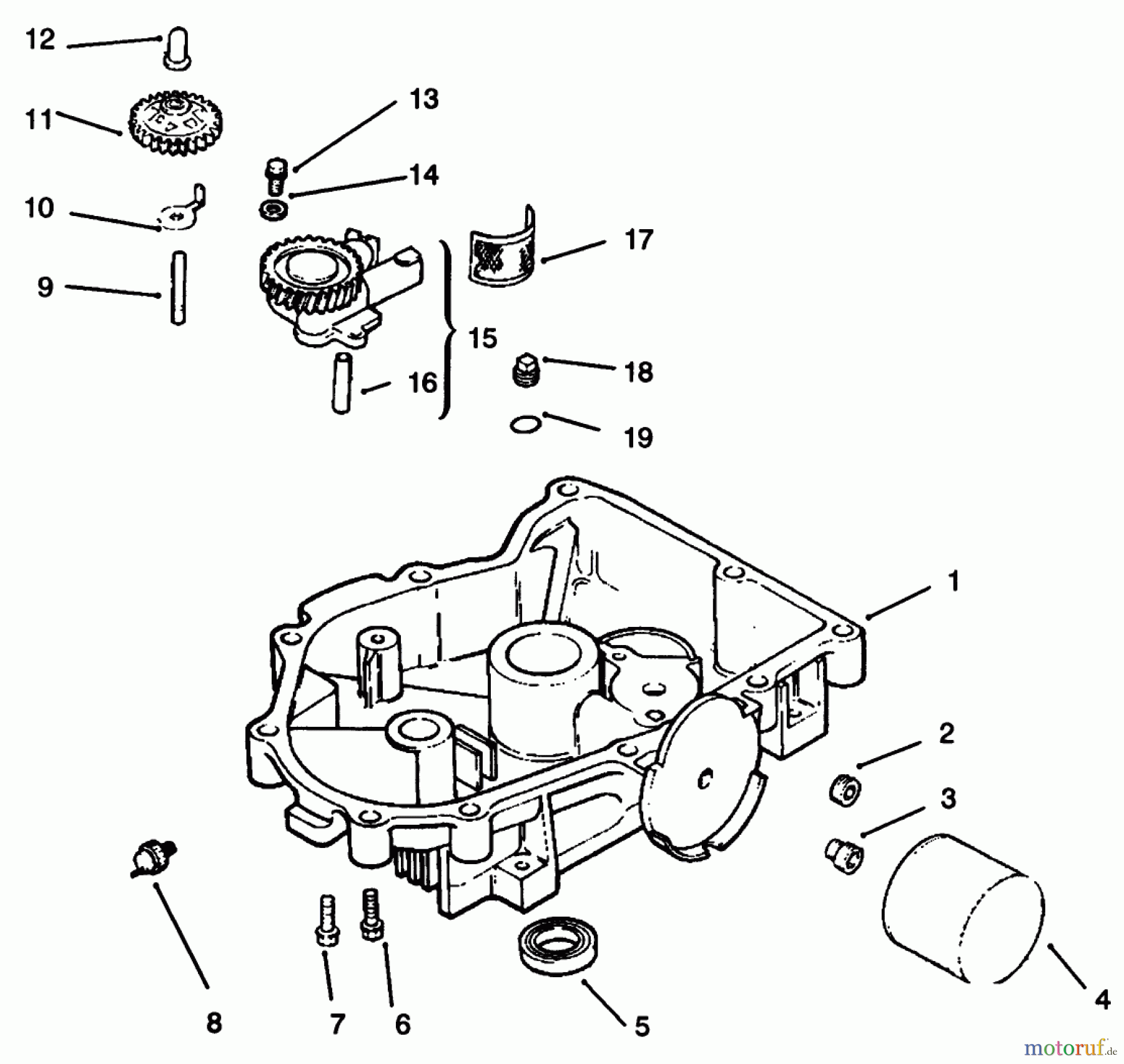
Toro 72102 (269-H) - 269-H Lawn and Garden Tractor, 1996 (6900001-6999999) OIL PAN/LUBRICATION Ersatzteile
OIL PAN/LUBRICATION 72102 (269-H) - Toro 269-H Lawn and Garden Tractor, 1996 (6900001-6999999)

Hier finden Sie die Ersatzteilzeichnung für Toro Neu Mowers, Lawn & Garden Tractor Seite 1 72102 (269-H) - Toro 269-H Lawn and Garden Tractor, 1996 (6900001-6999999) OIL PAN/LUBRICATION. Wählen Sie das benötigte Ersatzteil aus der Ersatzteilliste Ihres Toro Gerätes aus und bestellen Sie einfach online. Viele Toro Ersatzteile halten wir ständig in unserem Lager für Sie bereit.
| BildNr | Artikel Nummer | Bezeichnung | |
| 2 | KHX-75-32-S | USE 25 139 62-S | |
| 18 | KHX-75-10-S | USE 25 139 57-S | |


Qualitätsmanagement
Informieren Sie uns, wenn Sie einen Fehler gefunden haben.

