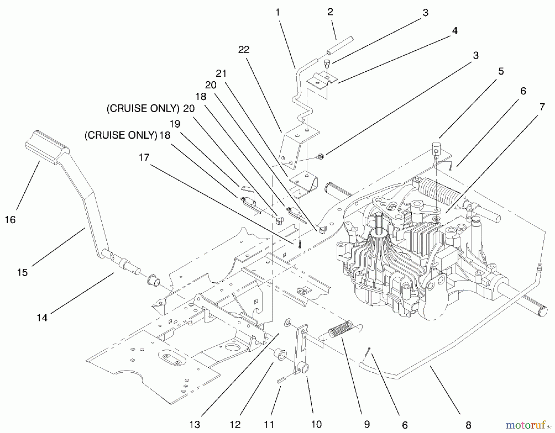
Toro 72086 (268-H) - 268-H Lawn and Garden Tractor, 1999 (9900001-9999999) HYDRO BRAKE ASSEMBLY Ersatzteile
HYDRO BRAKE ASSEMBLY 72086 (268-H) - Toro 268-H Lawn and Garden Tractor, 1999 (9900001-9999999)

Hier finden Sie die Ersatzteilzeichnung für Toro Neu Mowers, Lawn & Garden Tractor Seite 1 72086 (268-H) - Toro 268-H Lawn and Garden Tractor, 1999 (9900001-9999999) HYDRO BRAKE ASSEMBLY. Wählen Sie das benötigte Ersatzteil aus der Ersatzteilliste Ihres Toro Gerätes aus und bestellen Sie einfach online. Viele Toro Ersatzteile halten wir ständig in unserem Lager für Sie bereit.


Qualitätsmanagement
Informieren Sie uns, wenn Sie einen Fehler gefunden haben.



