Toro 72085 (267-H) - 267-H Lawn and Garden Tractor, 1996 (6900001-6999999) HYDRO DRIVE COMPONENTS Ersatzteile
HYDRO DRIVE COMPONENTS 72085 (267-H) - Toro 267-H Lawn and Garden Tractor, 1996 (6900001-6999999)

Hier finden Sie die Ersatzteilzeichnung für Toro Neu Mowers, Lawn & Garden Tractor Seite 1 72085 (267-H) - Toro 267-H Lawn and Garden Tractor, 1996 (6900001-6999999) HYDRO DRIVE COMPONENTS. Wählen Sie das benötigte Ersatzteil aus der Ersatzteilliste Ihres Toro Gerätes aus und bestellen Sie einfach online. Viele Toro Ersatzteile halten wir ständig in unserem Lager für Sie bereit.
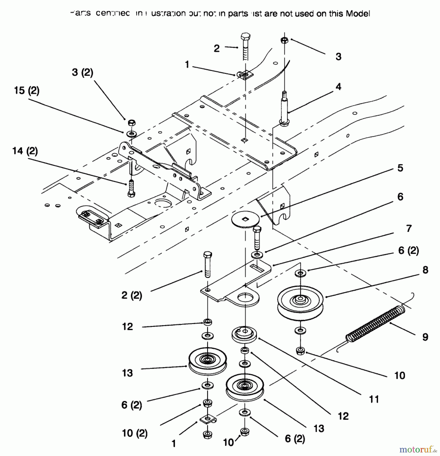
| BildNr | Artikel Nummer | Bezeichnung | |
| 1 | TR2534 | Federaufhaengung | |
| 2 | TR323-10 | Schraube | |
| 3 | ![]() | TR3296-29 | Mutter |
| 4 | TR88-4590 | Bolzen | |
| 5 | TR11-1419 | Rad | |
| 6 | ![]() | TR3256-24 | WASHER-FLAT |
| 7 | TR92-6900 | Spannrollenarm | |
| 8 | TR92-7101 | Riemenscheibe | |
| 9 | TR79-7530 | Feder | |
| 10 | TR3296-59 | Mutter | |
| 11 | TR111418 | Platte | |
| 12 | TR93-3658 | Distanzstueck V | |
| 13 | TR92-7102 | Riemenscheibe | |
| 14 | TR322-5 | Schraube | |
| 15 | TR3256-23 | Scheibe | |


Qualitätsmanagement
Informieren Sie uns, wenn Sie einen Fehler gefunden haben.



