Toro 72085 (267-H) - 267-H Lawn and Garden Tractor, 1996 (6900001-6999999) CRUISE CONTROL Ersatzteile
CRUISE CONTROL 72085 (267-H) - Toro 267-H Lawn and Garden Tractor, 1996 (6900001-6999999)

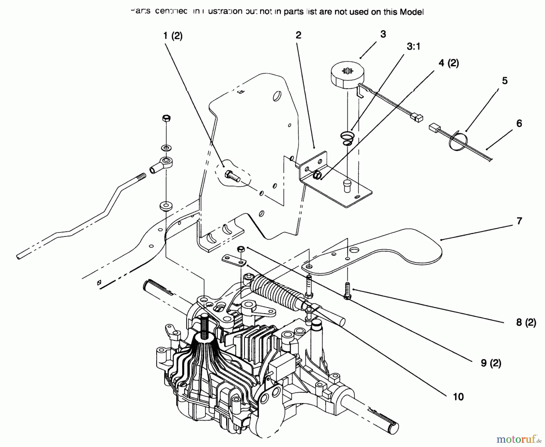
Hier finden Sie die Ersatzteilzeichnung für Toro Neu Mowers, Lawn & Garden Tractor Seite 1 72085 (267-H) - Toro 267-H Lawn and Garden Tractor, 1996 (6900001-6999999) CRUISE CONTROL. Wählen Sie das benötigte Ersatzteil aus der Ersatzteilliste Ihres Toro Gerätes aus und bestellen Sie einfach online. Viele Toro Ersatzteile halten wir ständig in unserem Lager für Sie bereit.
| BildNr | Artikel Nummer | Bezeichnung | |
| 1 | TR323-6 | Schraube | |
| 2 | TR93-0512 | WA - CRUISE BRKT* | |
| 3 | TR99-8090 | Magnetschalter | |
| 4 | TR32-9639 | ||
| 5 | TR614249 | Kabelband | |
| 6 | TR93-4364 | HARNESS - WIRE | |
| 7 | TR93-0511 | ARM - CRUISE | |
| 8 | TR322-5 | Schraube | |
| 9 | ![]() | TR3296-29 | Mutter |
| 10 | TR93-0515 | KABELKLEMME | |


Qualitätsmanagement
Informieren Sie uns, wenn Sie einen Fehler gefunden haben.


