Toro 72084 (266-H) - 266-H Yard Tractor, 1996 (6900001-6999999) MOTOR SHAFT TUFF TORQ TRANSMISSION K61 (TORO) Ersatzteile
MOTOR SHAFT TUFF TORQ TRANSMISSION K61 (TORO) 72084 (266-H) - Toro 266-H Yard Tractor, 1996 (6900001-6999999)

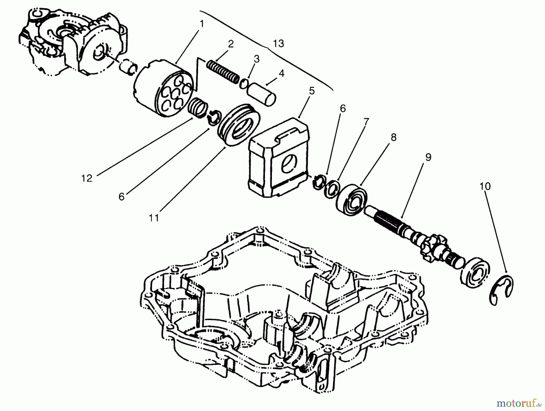
Hier finden Sie die Ersatzteilzeichnung für Toro Neu Mowers, Lawn & Garden Tractor Seite 1 72084 (266-H) - Toro 266-H Yard Tractor, 1996 (6900001-6999999) MOTOR SHAFT TUFF TORQ TRANSMISSION K61 (TORO). Wählen Sie das benötigte Ersatzteil aus der Ersatzteilliste Ihres Toro Gerätes aus und bestellen Sie einfach online. Viele Toro Ersatzteile halten wir ständig in unserem Lager für Sie bereit.
| BildNr | Artikel Nummer | Bezeichnung | |
| 1 | TR | ||
| 3 | TR | ||
| 5 | TR93-0375 | HOUSING | |
| 6 | TR93-0373 | Seegerring | |
| 7 | TR93-0371 | Scheibe | |
| 8 | TR93-0374 | KUGELLAGER | |
| 9 | TR93-0386 | Welle | |
| 10 | TR93-0387 | E-RING | |
| 11 | TR93-0376 | BEARING-THRUST | |
| 13 | TR93-0365 | ASM - CYCLINDER INC 6-9 | |


Qualitätsmanagement
Informieren Sie uns, wenn Sie einen Fehler gefunden haben.

