Toro 72081 (246-H) - 246-H Yard Tractor, 1993 (3900001-3999999) ENGINE TORO POWER PLUS #1 Ersatzteile
ENGINE TORO POWER PLUS #1 72081 (246-H) - Toro 246-H Yard Tractor, 1993 (3900001-3999999)

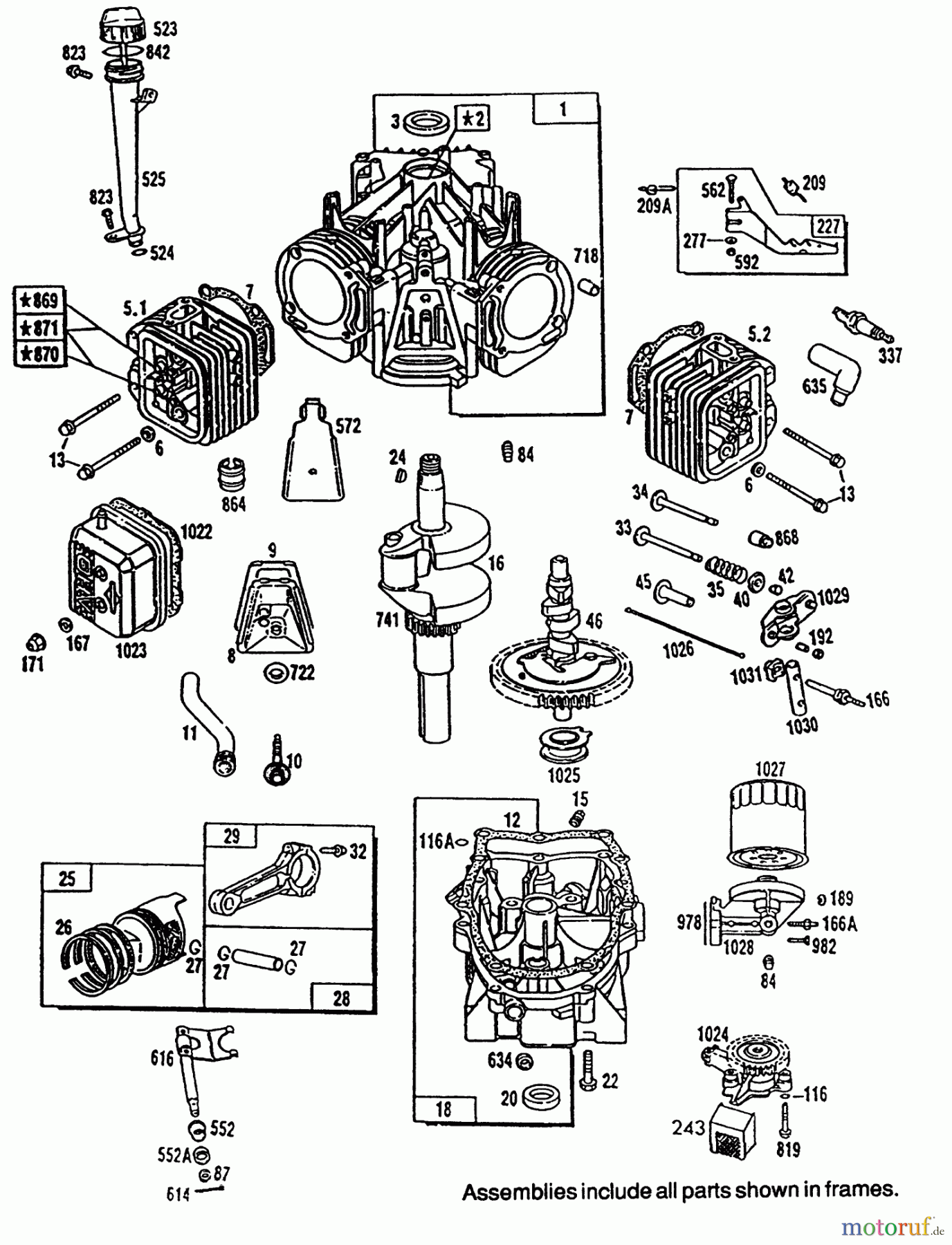
Hier finden Sie die Ersatzteilzeichnung für Toro Neu Mowers, Lawn & Garden Tractor Seite 1 72081 (246-H) - Toro 246-H Yard Tractor, 1993 (3900001-3999999) ENGINE TORO POWER PLUS #1. Wählen Sie das benötigte Ersatzteil aus der Ersatzteilliste Ihres Toro Gerätes aus und bestellen Sie einfach online. Viele Toro Ersatzteile halten wir ständig in unserem Lager für Sie bereit.



