Toro 72064 (265-H) - 265-H Lawn and Garden Tractor, 1996 (6900001-6999999) LIFT LEVER AND HEIGHT OF CUT Ersatzteile
LIFT LEVER AND HEIGHT OF CUT 72064 (265-H) - Toro 265-H Lawn and Garden Tractor, 1996 (6900001-6999999)

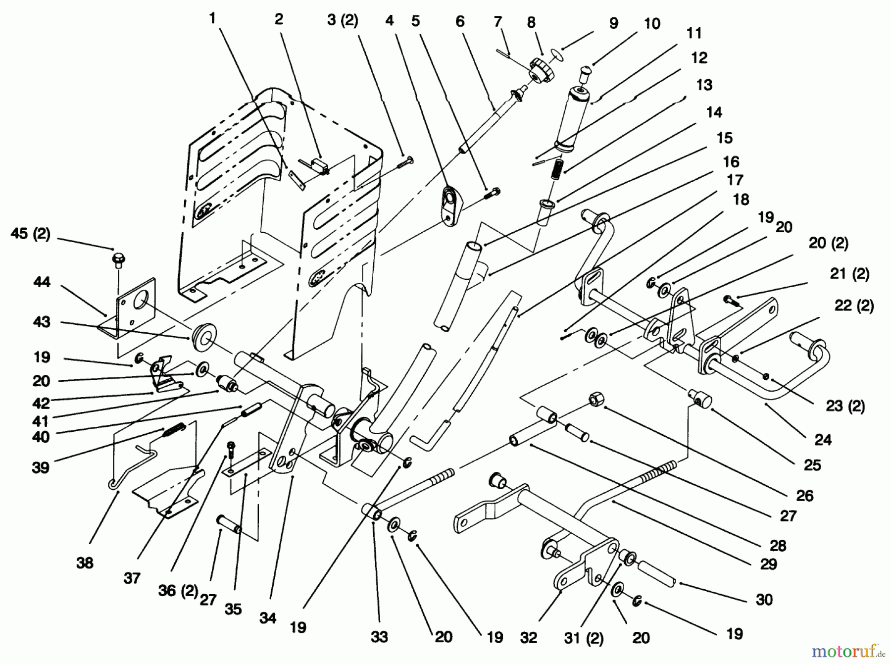
Hier finden Sie die Ersatzteilzeichnung für Toro Neu Mowers, Lawn & Garden Tractor Seite 1 72064 (265-H) - Toro 265-H Lawn and Garden Tractor, 1996 (6900001-6999999) LIFT LEVER AND HEIGHT OF CUT. Wählen Sie das benötigte Ersatzteil aus der Ersatzteilliste Ihres Toro Gerätes aus und bestellen Sie einfach online. Viele Toro Ersatzteile halten wir ständig in unserem Lager für Sie bereit.


Qualitätsmanagement
Informieren Sie uns, wenn Sie einen Fehler gefunden haben.



