Toro 72063 (264-H) - 264-H Yard Tractor, 1995 (5900499-5999999) OIL PAN/LUBRICATION #1 Ersatzteile
OIL PAN/LUBRICATION #1 72063 (264-H) - Toro 264-H Yard Tractor, 1995 (5900499-5999999)

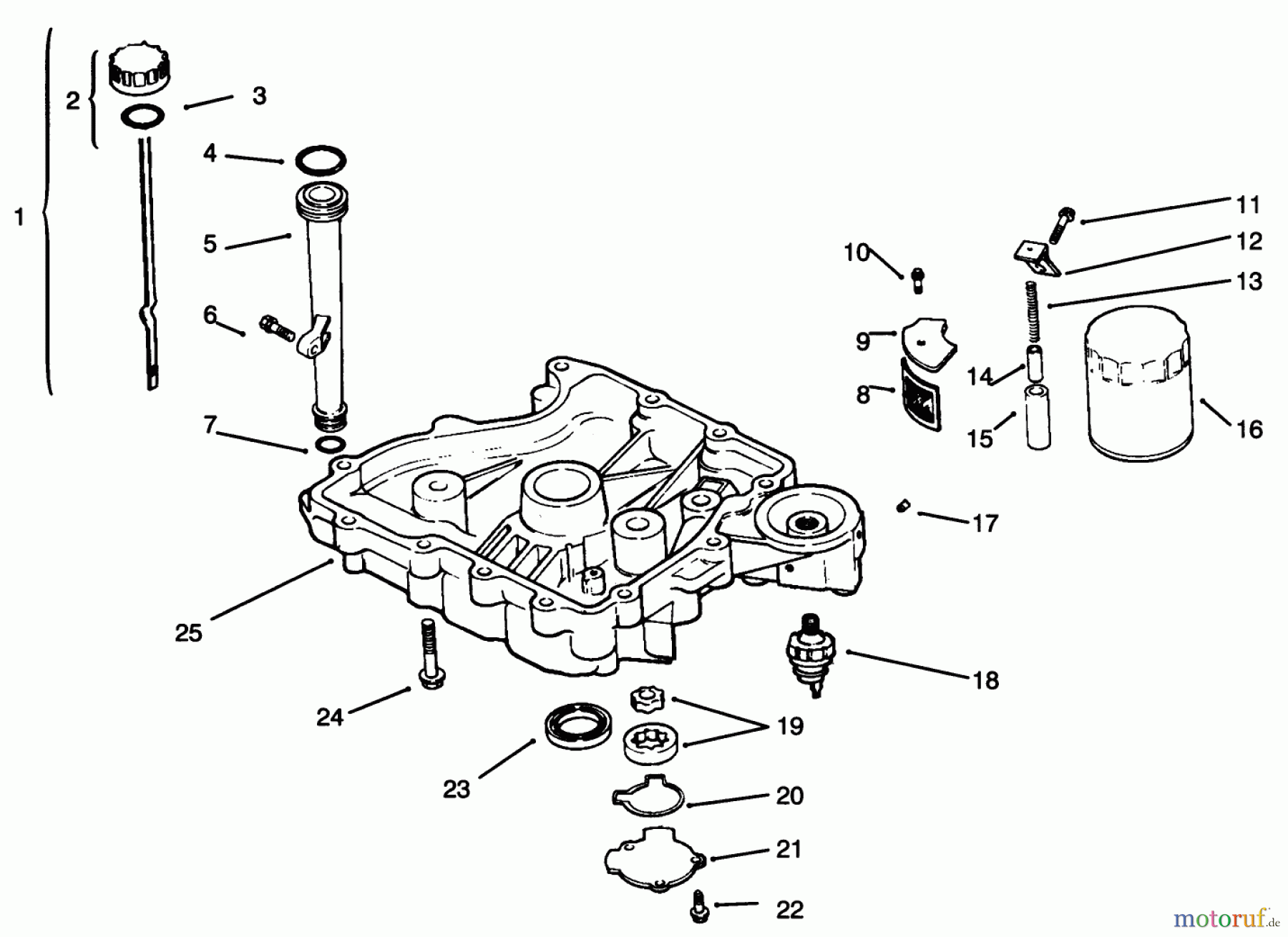
Hier finden Sie die Ersatzteilzeichnung für Toro Neu Mowers, Lawn & Garden Tractor Seite 1 72063 (264-H) - Toro 264-H Yard Tractor, 1995 (5900499-5999999) OIL PAN/LUBRICATION #1. Wählen Sie das benötigte Ersatzteil aus der Ersatzteilliste Ihres Toro Gerätes aus und bestellen Sie einfach online. Viele Toro Ersatzteile halten wir ständig in unserem Lager für Sie bereit.
| BildNr | Artikel Nummer | Bezeichnung | |
| 6 | KHSM-0545020 | ||
| 22 | KHM-545016 | Schraube | |
| 11 | KHM-1039025-S | SCREW, FLG M10X1.5X25 | |
| 16 | KH1205001-S | OIL FILTER | |
| 17 | KHX-75-10-S | USE 25 139 57-S | |
| 22 | KHM-0545016 | ||


Qualitätsmanagement
Informieren Sie uns, wenn Sie einen Fehler gefunden haben.

