Toro 72046 (265-H) - 265-H Lawn and Garden Tractor, 1997 (7900001-7999999) TRANSAXLE CASE Ersatzteile
TRANSAXLE CASE 72046 (265-H) - Toro 265-H Lawn and Garden Tractor, 1997 (7900001-7999999)

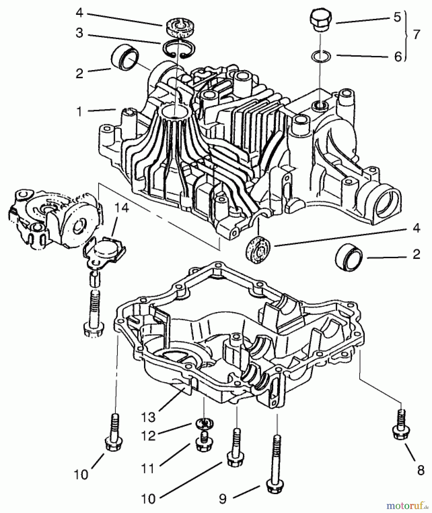
Hier finden Sie die Ersatzteilzeichnung für Toro Neu Mowers, Lawn & Garden Tractor Seite 1 72046 (265-H) - Toro 265-H Lawn and Garden Tractor, 1997 (7900001-7999999) TRANSAXLE CASE. Wählen Sie das benötigte Ersatzteil aus der Ersatzteilliste Ihres Toro Gerätes aus und bestellen Sie einfach online. Viele Toro Ersatzteile halten wir ständig in unserem Lager für Sie bereit.



