Toro 72046 (265-H) - 265-H Lawn and Garden Tractor, 1997 (7900001-7999999) AXLE SHAFT Ersatzteile
AXLE SHAFT 72046 (265-H) - Toro 265-H Lawn and Garden Tractor, 1997 (7900001-7999999)

Hier finden Sie die Ersatzteilzeichnung für Toro Neu Mowers, Lawn & Garden Tractor Seite 1 72046 (265-H) - Toro 265-H Lawn and Garden Tractor, 1997 (7900001-7999999) AXLE SHAFT. Wählen Sie das benötigte Ersatzteil aus der Ersatzteilliste Ihres Toro Gerätes aus und bestellen Sie einfach online. Viele Toro Ersatzteile halten wir ständig in unserem Lager für Sie bereit.
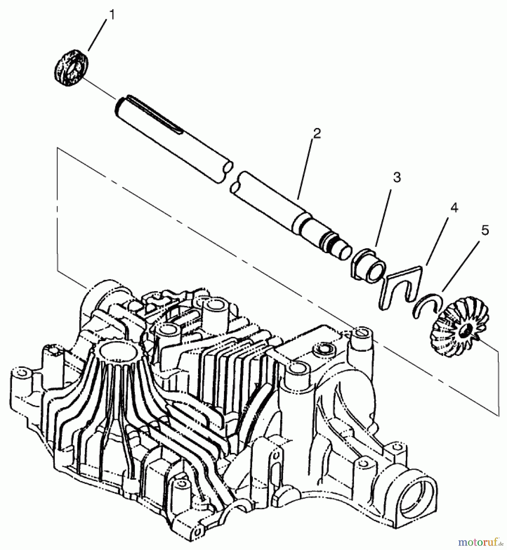
| BildNr | Artikel Nummer | Bezeichnung | |
| 1 | TR93-0451 | SEAL | |
| 2 | TR99-3699 | SHAFT-AXLE RIGHT | |
| 3 | TR93-0454 | Buechse | |
| 4 | TR93-0455 | Lagerscheibe | |
| 5 | TR93-0456 | RING | |
| TR99-3698 | Steckachse Links | ||



