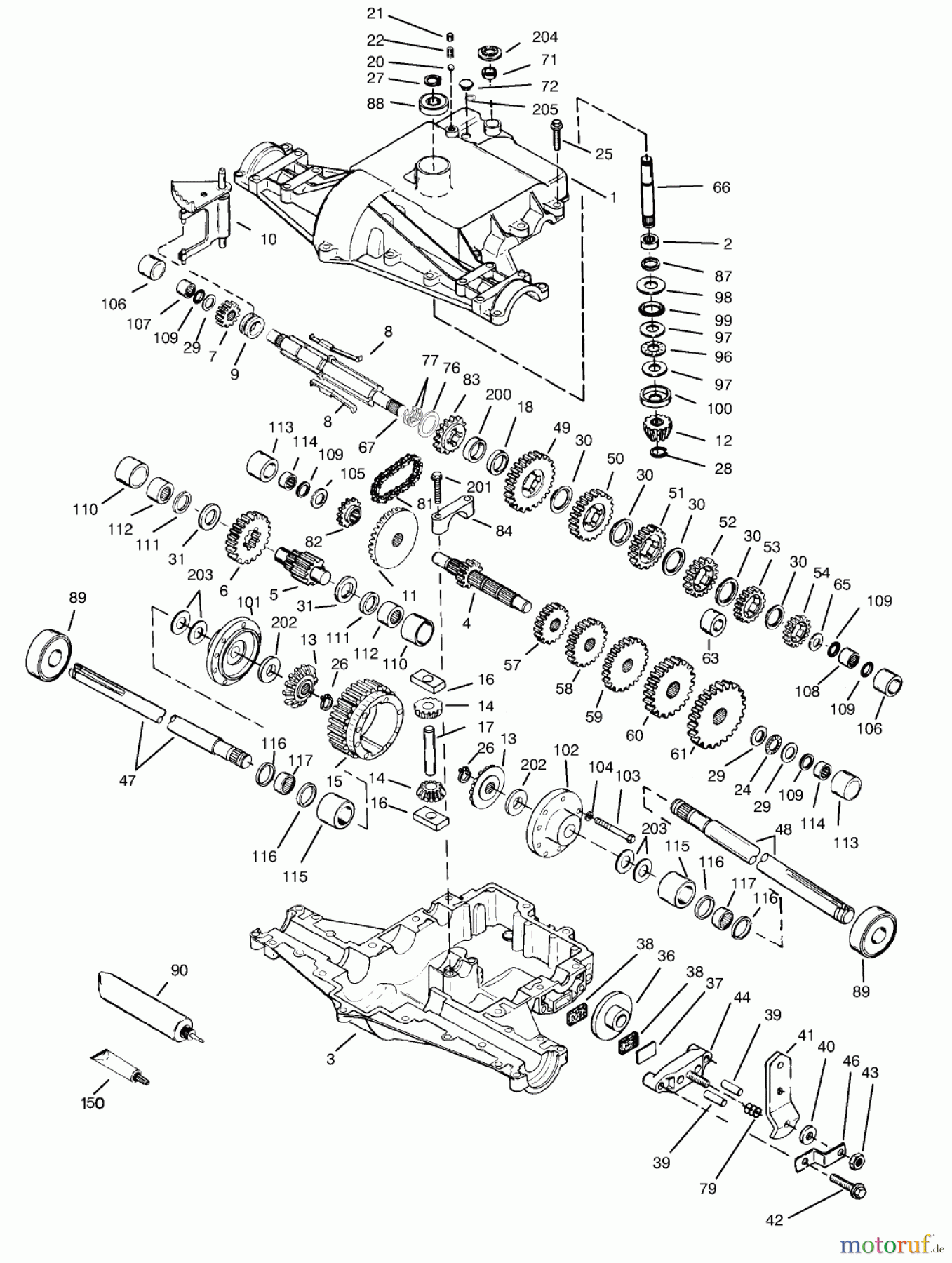
Toro 72045 (265-6) - 265-6 Yard Tractor, 1997 (7900001-7999999) PEERLESS TRANSAXLE 820-024/820-024A Ersatzteile
PEERLESS TRANSAXLE 820-024/820-024A 72045 (265-6) - Toro 265-6 Yard Tractor, 1997 (7900001-7999999)

Hier finden Sie die Ersatzteilzeichnung für Toro Neu Mowers, Lawn & Garden Tractor Seite 1 72045 (265-6) - Toro 265-6 Yard Tractor, 1997 (7900001-7999999) PEERLESS TRANSAXLE 820-024/820-024A. Wählen Sie das benötigte Ersatzteil aus der Ersatzteilliste Ihres Toro Gerätes aus und bestellen Sie einfach online. Viele Toro Ersatzteile halten wir ständig in unserem Lager für Sie bereit.





