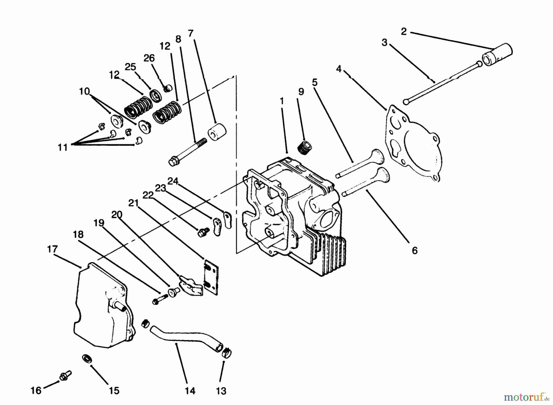
Toro 72045 (265-6) - 265-6 Yard Tractor, 1996 (6900001-6999999) CYLINDER HEAD/VALVE/BREATHER Ersatzteile
CYLINDER HEAD/VALVE/BREATHER 72045 (265-6) - Toro 265-6 Yard Tractor, 1996 (6900001-6999999)

Hier finden Sie die Ersatzteilzeichnung für Toro Neu Mowers, Lawn & Garden Tractor Seite 1 72045 (265-6) - Toro 265-6 Yard Tractor, 1996 (6900001-6999999) CYLINDER HEAD/VALVE/BREATHER. Wählen Sie das benötigte Ersatzteil aus der Ersatzteilliste Ihres Toro Gerätes aus und bestellen Sie einfach online. Viele Toro Ersatzteile halten wir ständig in unserem Lager für Sie bereit.
| BildNr | Artikel Nummer | Bezeichnung | |
| 9 | KHX-75-23-S | USE 25 139 60-S | |
| 13 | KHX-426-9-S | USE 25 237 14-S | |
| 16 | KHSM-0645020 | ||
| 18 | KHM-0640034 | ||
| 22 | KHM-545010 | Schraube | |
| 25 | KH235011-S | RETAINER, SPRING | |



