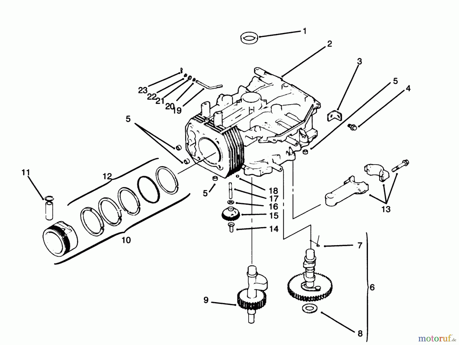
Toro 72045 (265-6) - 265-6 Yard Tractor, 1996 (6900001-6999999) CRANKCASE Ersatzteile
CRANKCASE 72045 (265-6) - Toro 265-6 Yard Tractor, 1996 (6900001-6999999)

Hier finden Sie die Ersatzteilzeichnung für Toro Neu Mowers, Lawn & Garden Tractor Seite 1 72045 (265-6) - Toro 265-6 Yard Tractor, 1996 (6900001-6999999) CRANKCASE. Wählen Sie das benötigte Ersatzteil aus der Ersatzteilliste Ihres Toro Gerätes aus und bestellen Sie einfach online. Viele Toro Ersatzteile halten wir ständig in unserem Lager für Sie bereit.
| BildNr | Artikel Nummer | Bezeichnung | |
| 4 | KHM-839025 | Schraube | |
| 16 | KHM-631005 | U-Scheibe | |
| 20 | KHSM-0631015 | ||
| 22 | KHX-25-102-S | WASHER, FLAT 1/4" | |



