Toro 72043 (264-H) - 264-H Yard Tractor, 1996 (6900001-6999999) PUMP SHAFT Ersatzteile
PUMP SHAFT 72043 (264-H) - Toro 264-H Yard Tractor, 1996 (6900001-6999999)

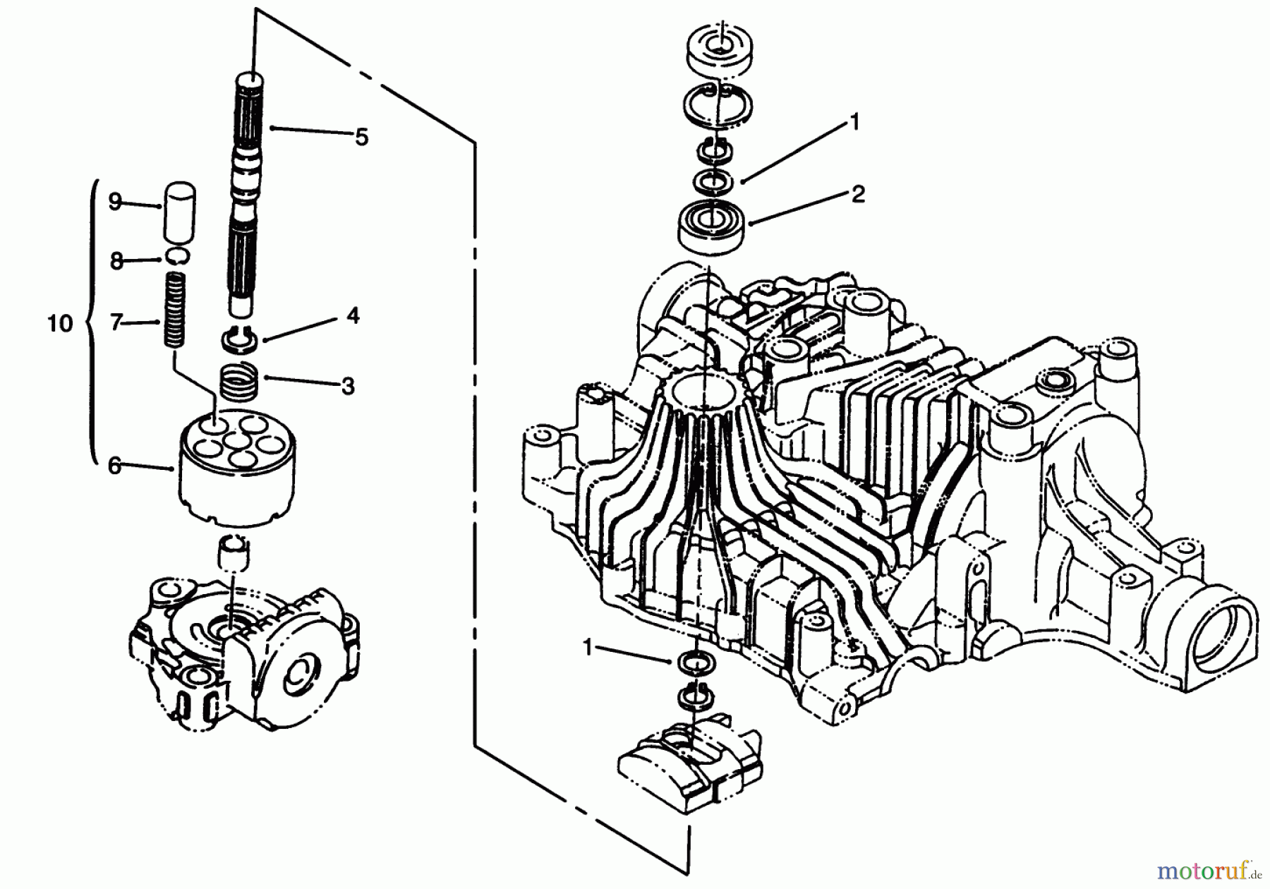
Hier finden Sie die Ersatzteilzeichnung für Toro Neu Mowers, Lawn & Garden Tractor Seite 1 72043 (264-H) - Toro 264-H Yard Tractor, 1996 (6900001-6999999) PUMP SHAFT. Wählen Sie das benötigte Ersatzteil aus der Ersatzteilliste Ihres Toro Gerätes aus und bestellen Sie einfach online. Viele Toro Ersatzteile halten wir ständig in unserem Lager für Sie bereit.
| BildNr | Artikel Nummer | Bezeichnung | |
| 1 | TR93-0371 | Scheibe | |
| 2 | TR93-0374 | KUGELLAGER | |
| 3 | TR93-0370 | Druckfeder | |
| 4 | TR93-0373 | Seegerring | |
| 5 | TR93-0372 | SHAFT - PUMP | |
| 6 | TR | ||
| 7 | TR | ||
| 8 | TR | ||
| 9 | TR | ||
| 10 | TR93-0365 | ASM - CYCLINDER INC 6-9 | |


Qualitätsmanagement
Informieren Sie uns, wenn Sie einen Fehler gefunden haben.

