Toro 72042 (264-6) - 264-6 Yard Tractor, 1994 (4900001-4999999) PEERLESS TRANSAXLE 820-024 Ersatzteile
PEERLESS TRANSAXLE 820-024 72042 (264-6) - Toro 264-6 Yard Tractor, 1994 (4900001-4999999)

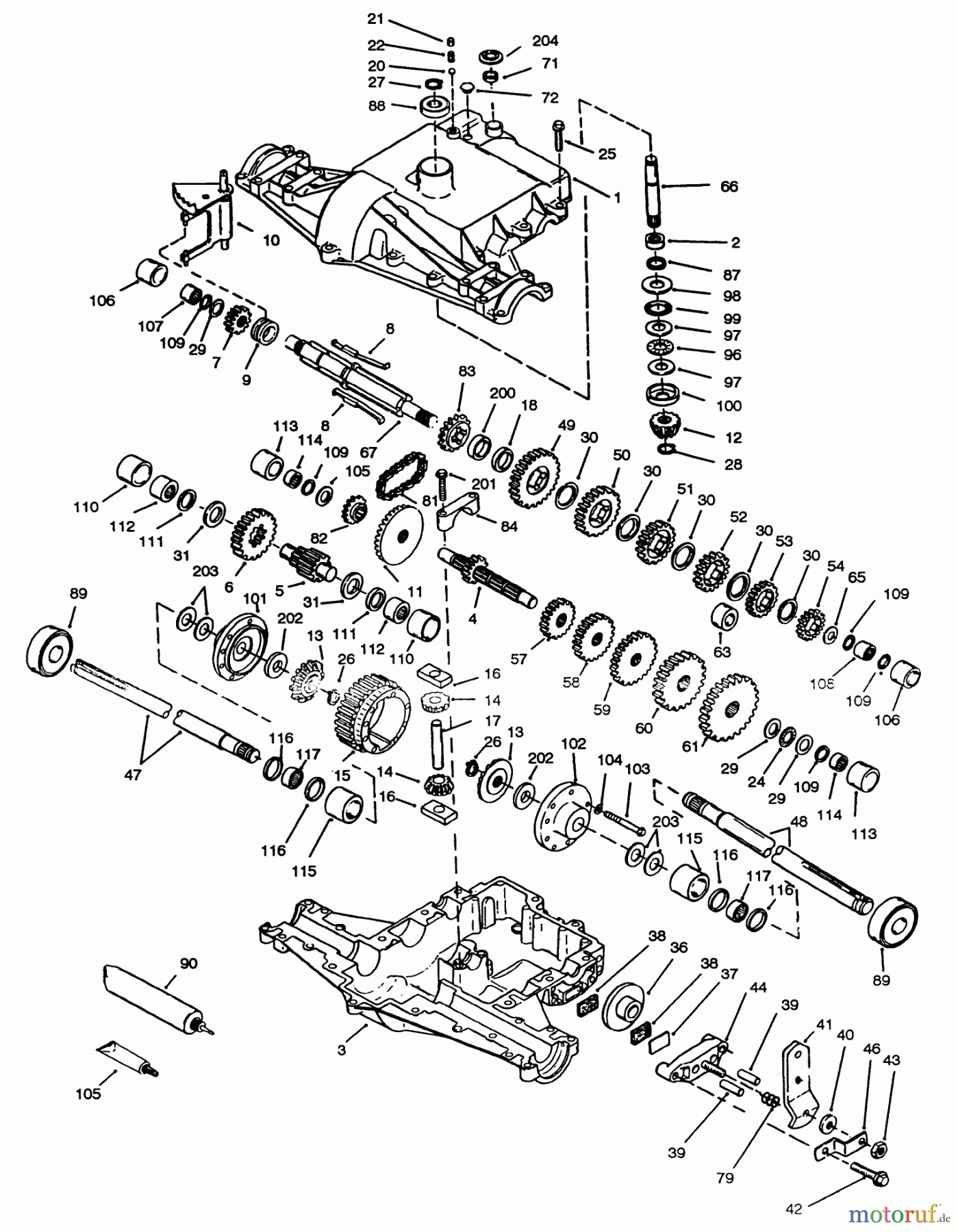
Hier finden Sie die Ersatzteilzeichnung für Toro Neu Mowers, Lawn & Garden Tractor Seite 1 72042 (264-6) - Toro 264-6 Yard Tractor, 1994 (4900001-4999999) PEERLESS TRANSAXLE 820-024. Wählen Sie das benötigte Ersatzteil aus der Ersatzteilliste Ihres Toro Gerätes aus und bestellen Sie einfach online. Viele Toro Ersatzteile halten wir ständig in unserem Lager für Sie bereit.


Qualitätsmanagement
Informieren Sie uns, wenn Sie einen Fehler gefunden haben.



