Toro 72042 (264-6) - 264-6 Yard Tractor, 1994 (4900001-4999999) CENTER CASE Ersatzteile
CENTER CASE 72042 (264-6) - Toro 264-6 Yard Tractor, 1994 (4900001-4999999)

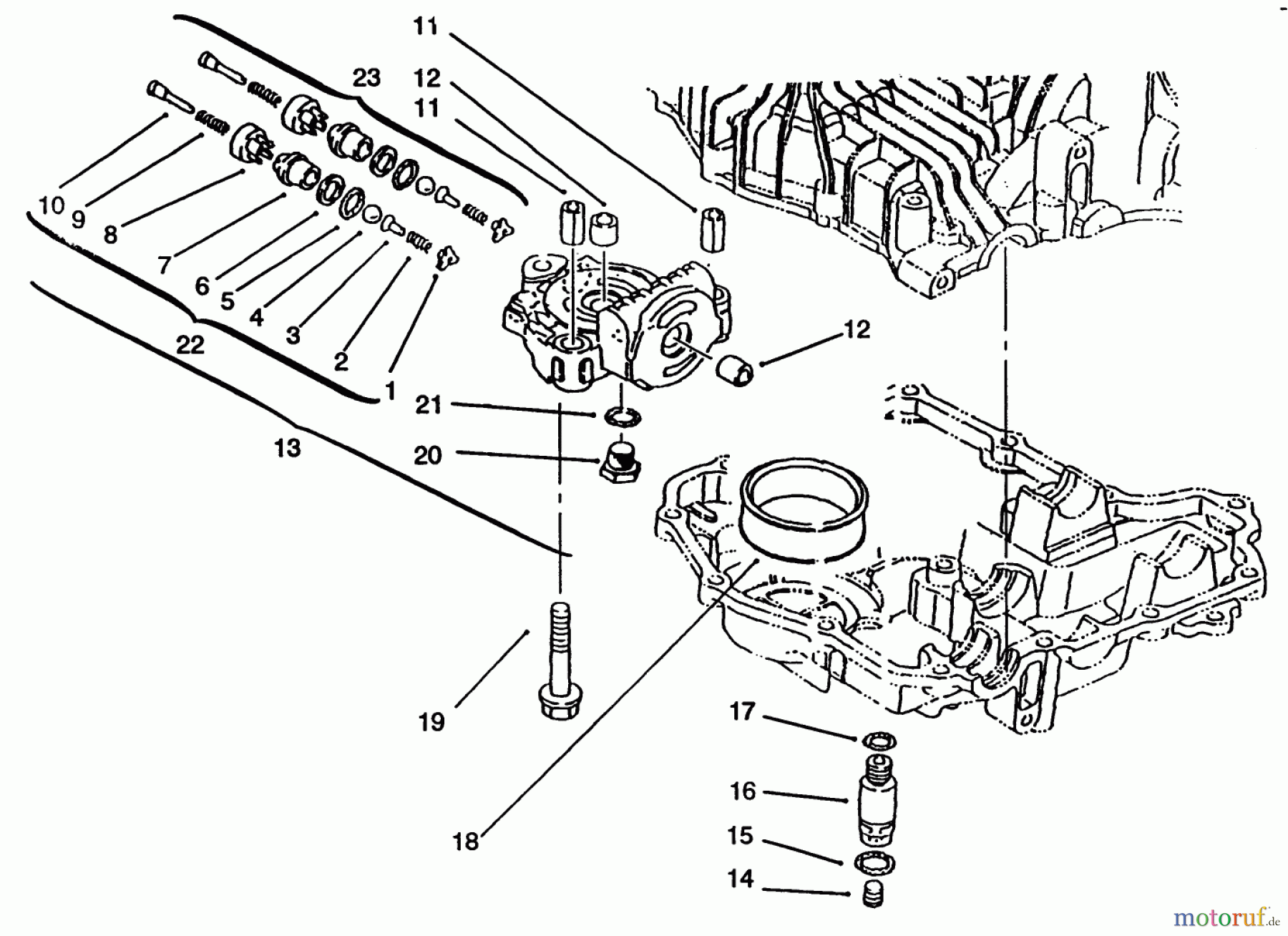
Hier finden Sie die Ersatzteilzeichnung für Toro Neu Mowers, Lawn & Garden Tractor Seite 1 72042 (264-6) - Toro 264-6 Yard Tractor, 1994 (4900001-4999999) CENTER CASE. Wählen Sie das benötigte Ersatzteil aus der Ersatzteilliste Ihres Toro Gerätes aus und bestellen Sie einfach online. Viele Toro Ersatzteile halten wir ständig in unserem Lager für Sie bereit.
| BildNr | Artikel Nummer | Bezeichnung | |
| 1 | TR93-0482 | ASM - VALVE A1 INC 1-10 | |
| 2 | TR | ||
| 3 | TR | ||
| 4 | TR | ||
| 5 | TR93-0465 | PACKING | |
| 6 | TR93-0466 | RING-BACK UP | |
| 7 | TR | ||
| 8 | TR | ||
| 9 | TR | ||
| 10 | TR | ||
| 11 | TR93-0471 | STIFT | |
| 12 | TR93-0472 | BUSHING | |
| 13 | TR99-3697 | CENTER CASE CMP | |
| 14 | TR93-0474 | STOPFEN | |
| 15 | TR93-0475 | O-RING | |
| 16 | TR93-0476 | Kupplung | |
| 17 | TR93-0481 | PACKING | |
| 18 | TR93-0478 | Hydraulikfilter | |
| 19 | TR93-0479 | BOLT | |
| 20 | TR93-0480 | Stopfen | |
| 21 | TR93-0481 | PACKING | |
| 22 | TR93-0482 | ASM - VALVE A1 INC 1-10 | |
| 23 | TR93-0483 | Hydraulikventil | |




