Einstellungen Computer

Toro 72040 (244-5) - 244-5 Yard Tractor, 1993 (3900001-3999999) OIL BASE & PUMP ASSEMBLY Ersatzteile

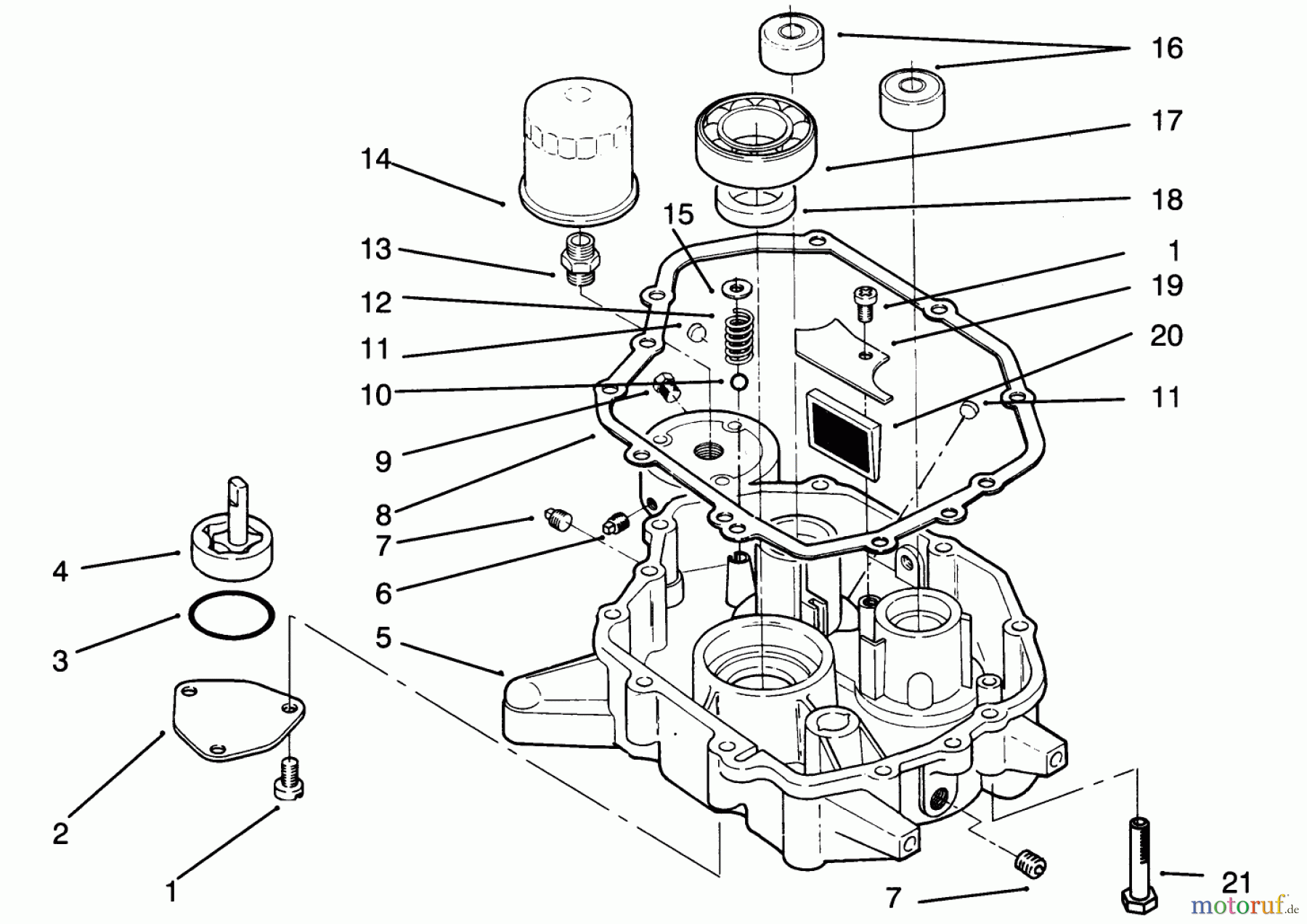
OIL BASE & PUMP ASSEMBLY 72040 (244-5) - Toro 244-5 Yard Tractor, 1993 (3900001-3999999)

 Toro Neu Mowers, Lawn & Garden Tractor Seite 1 72040 (244-5) - Toro 244-5 Yard Tractor, 1993 (3900001-3999999) OIL BASE & PUMP ASSEMBLY

Hier finden Sie die Ersatzteilzeichnung für Toro Neu Mowers, Lawn & Garden Tractor Seite 1 72040 (244-5) - Toro 244-5 Yard Tractor, 1993 (3900001-3999999) OIL BASE & PUMP ASSEMBLY. Wählen Sie das benötigte Ersatzteil aus der Ersatzteilliste Ihres Toro Gerätes aus und bestellen Sie einfach online. Viele Toro Ersatzteile halten wir ständig in unserem Lager für Sie bereit.

Rasen
Bankeinzug, MasterCard, Visa, American Express, PayPal, Nachnahme, Vorauskasse, Sofortüberweisung
Datenschutzerklärung Impressum
Qualitätsmanagement
Informieren Sie uns, wenn Sie einen Fehler gefunden haben.