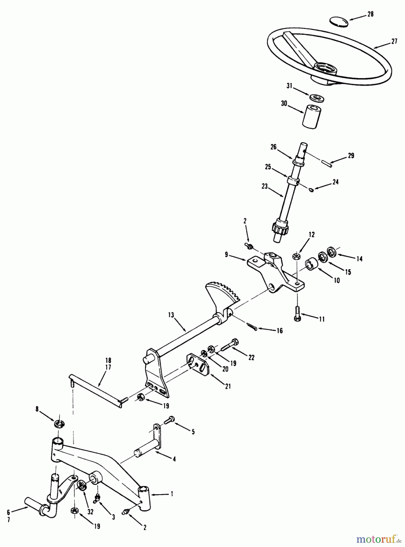
Toro 72-10BP01 (A-100) - A-100 36" 4-Speed Tractor, 1977 FRONT AXLE AND STEERING Ersatzteile
FRONT AXLE AND STEERING 72-10BP01 (A-100) - Toro A-100 36" 4-Speed Tractor, 1977

Hier finden Sie die Ersatzteilzeichnung für Toro Neu Mowers, Lawn & Garden Tractor Seite 1 72-10BP01 (A-100) - Toro A-100 36" 4-Speed Tractor, 1977 FRONT AXLE AND STEERING. Wählen Sie das benötigte Ersatzteil aus der Ersatzteilliste Ihres Toro Gerätes aus und bestellen Sie einfach online. Viele Toro Ersatzteile halten wir ständig in unserem Lager für Sie bereit.


Qualitätsmanagement
Informieren Sie uns, wenn Sie einen Fehler gefunden haben.



