Toro 72-10BP01 (A-100) - A-100 36" 4-Speed Tractor, 1977 ENGINE AND TRANSMISSION Ersatzteile
ENGINE AND TRANSMISSION 72-10BP01 (A-100) - Toro A-100 36" 4-Speed Tractor, 1977

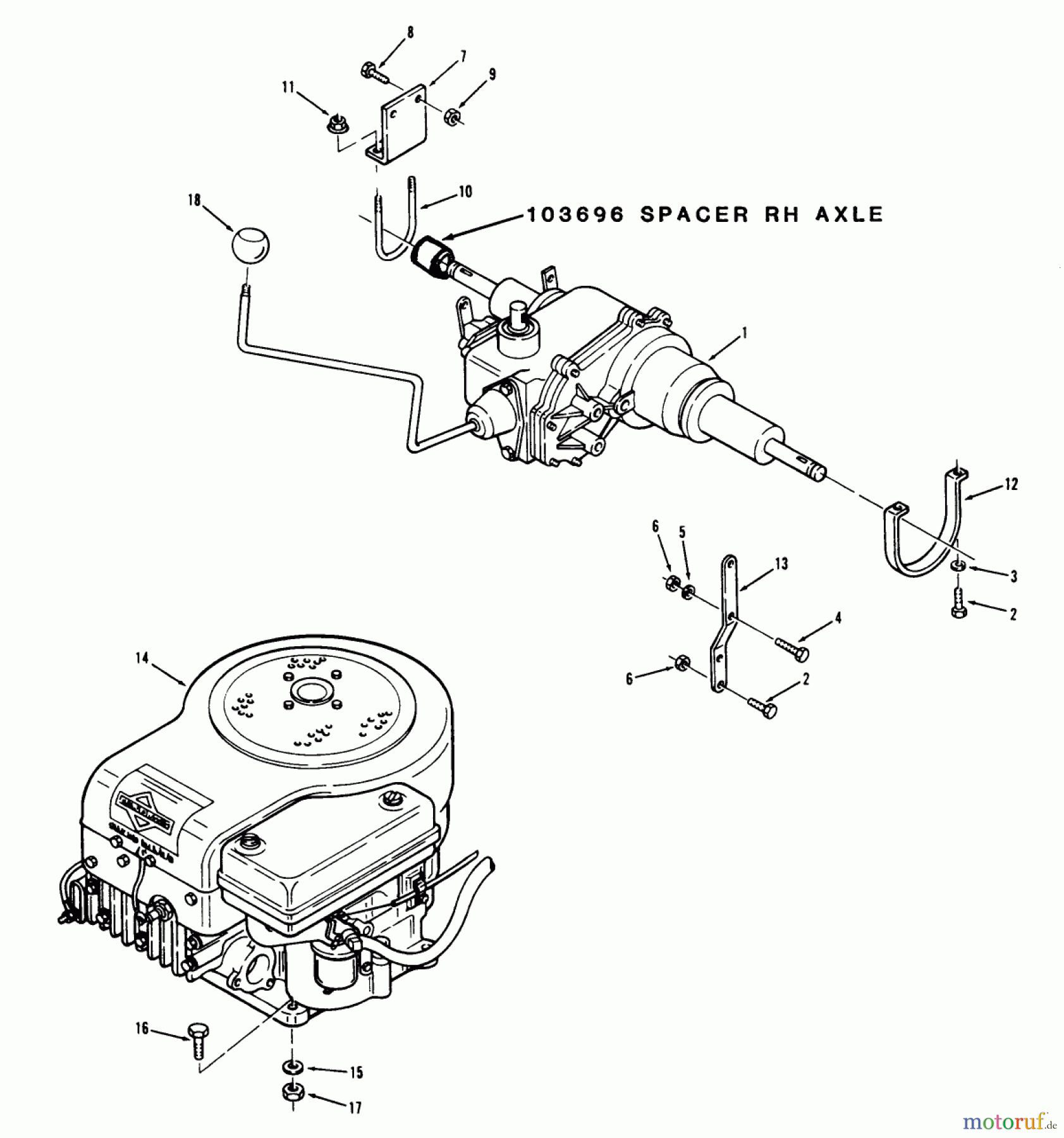
Hier finden Sie die Ersatzteilzeichnung für Toro Neu Mowers, Lawn & Garden Tractor Seite 1 72-10BP01 (A-100) - Toro A-100 36" 4-Speed Tractor, 1977 ENGINE AND TRANSMISSION. Wählen Sie das benötigte Ersatzteil aus der Ersatzteilliste Ihres Toro Gerätes aus und bestellen Sie einfach online. Viele Toro Ersatzteile halten wir ständig in unserem Lager für Sie bereit.
| BildNr | Artikel Nummer | Bezeichnung | |
| 1 | TR106059 | BULLT 189/228 | |
| 2 | TR322-3 | Schraube | |
| 3 | TR3253-4 | Federring | |
| 4 | TR322-5 | Schraube | |
| 5 | TR920008 | Scheibe | |
| 6 | TR3217-6 | NUT-HEX | |
| 7 | TR103580 | DISCONTINUED | |
| 8 | TR323-4 | Schraube | |
| 9 | ![]() | TR32153-2 | NUT-LOCK, SIDE |
| 10 | TR103428 | ACHSBOLZEN | |
| 11 | TR32128-19 | Mutter | |
| 12 | TR103579 | DISCONTINUED | |
| 13 | TR103383 | DISCONTINUE | |
| 14 | TR105441 | ||
| 15 | TR920008 | Scheibe | |
| 16 | TR322-7 | Schraube | |
| 17 | TR915112 | MUTTER (10) | |
| 18 | TR102871 | Schaltknopf | |
| 14 | TR105440 | ||


Qualitätsmanagement
Informieren Sie uns, wenn Sie einen Fehler gefunden haben.


