Toro 71252 (XL 380H) - XL 380H Lawn Tractor, 2009 (290000001-290999999) FIXED STEERING ASSEMBLY Ersatzteile
FIXED STEERING ASSEMBLY 71252 (XL 380H) - Toro XL 380H Lawn Tractor, 2009 (290000001-290999999)

Hier finden Sie die Ersatzteilzeichnung für Toro Neu Mowers, Lawn & Garden Tractor Seite 1 71252 (XL 380H) - Toro XL 380H Lawn Tractor, 2009 (290000001-290999999) FIXED STEERING ASSEMBLY. Wählen Sie das benötigte Ersatzteil aus der Ersatzteilliste Ihres Toro Gerätes aus und bestellen Sie einfach online. Viele Toro Ersatzteile halten wir ständig in unserem Lager für Sie bereit.
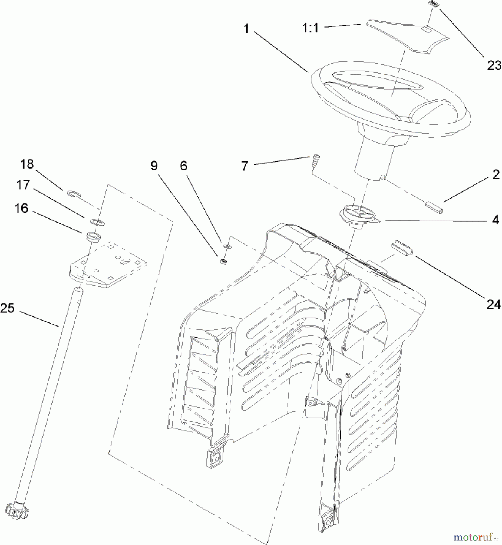
| BildNr | Artikel Nummer | Bezeichnung | |
| 1 | TR98-1467 | STEERING WHEEL ASM | |
| 1:1 | TR98-1468 | COVER-WHEEL, STEERING | |
| 2 | TR32121-111 | PIN-ROLL | |
| 4 | TR88-4190 | BUSHING-SLIDING | |
| 6 | TR3256-22 | Scheibe | |
| 7 | ![]() | TR321-4 | Schraube |
| 9 | ![]() | TR3296-42 | Mutter |
| 16 | TR88-5150 | Buechse | |
| 17 | TR3-6498 | Scheibe | |
| 18 | TR32151-48 | E-RING | |
| 23 | TR98-1459 | DECAL | |
| 24 | TR88-4150 | Stopfen | |
| 25 | TR88-6380 | Lenkwelle | |


Qualitätsmanagement
Informieren Sie uns, wenn Sie einen Fehler gefunden haben.



