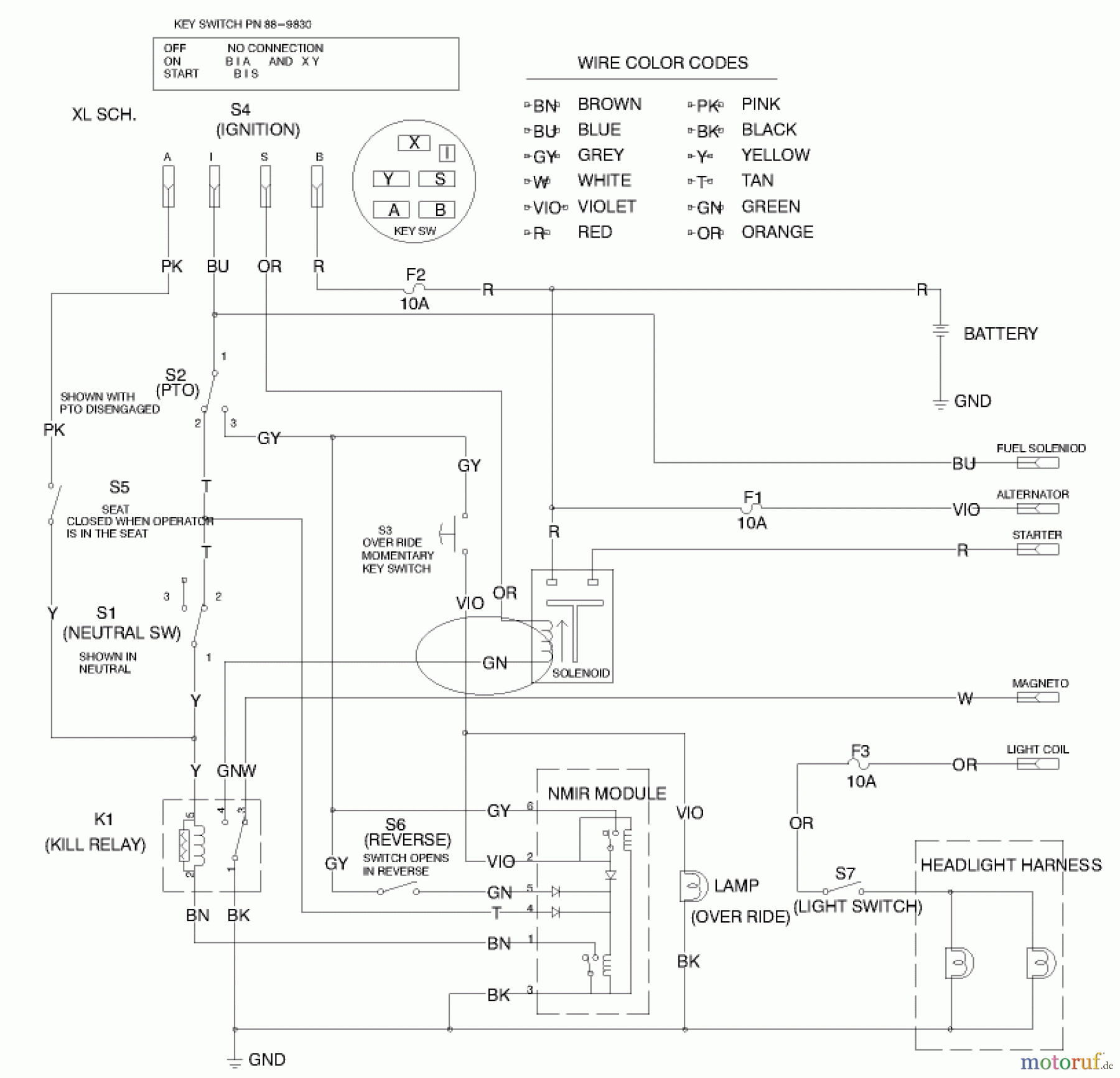
Toro 71240 (15-38HXL) - 15-38HXL Lawn Tractor, 1999 (9900001-9999999) WIRING SCHEMATIC Ersatzteile
WIRING SCHEMATIC 71240 (15-38HXL) - Toro 15-38HXL Lawn Tractor, 1999 (9900001-9999999)

Hier finden Sie die Ersatzteilzeichnung für Toro Neu Mowers, Lawn & Garden Tractor Seite 1 71240 (15-38HXL) - Toro 15-38HXL Lawn Tractor, 1999 (9900001-9999999) WIRING SCHEMATIC. Wählen Sie das benötigte Ersatzteil aus der Ersatzteilliste Ihres Toro Gerätes aus und bestellen Sie einfach online. Viele Toro Ersatzteile halten wir ständig in unserem Lager für Sie bereit.
| BildNr | Artikel Nummer | Bezeichnung | |
| TR218-578 | FUSE-BLADE, 10 AMP | ||


Qualitätsmanagement
Informieren Sie uns, wenn Sie einen Fehler gefunden haben.

