Toro 71227 (16-38HXL) - 16-38HXL Lawn Tractor, 2002 (220010001-220999999) HOUSING AND BEARING ASSEMBLY Ersatzteile
HOUSING AND BEARING ASSEMBLY 71227 (16-38HXL) - Toro 16-38HXL Lawn Tractor, 2002 (220010001-220999999)

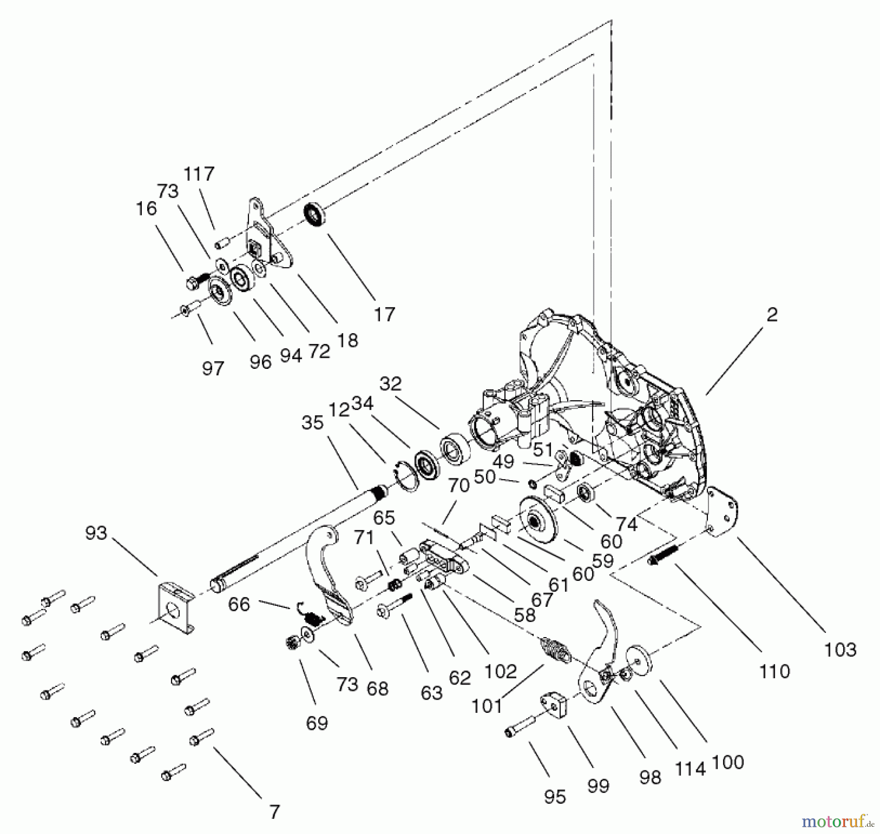
Hier finden Sie die Ersatzteilzeichnung für Toro Neu Mowers, Lawn & Garden Tractor Seite 1 71227 (16-38HXL) - Toro 16-38HXL Lawn Tractor, 2002 (220010001-220999999) HOUSING AND BEARING ASSEMBLY. Wählen Sie das benötigte Ersatzteil aus der Ersatzteilliste Ihres Toro Gerätes aus und bestellen Sie einfach online. Viele Toro Ersatzteile halten wir ständig in unserem Lager für Sie bereit.


Qualitätsmanagement
Informieren Sie uns, wenn Sie einen Fehler gefunden haben.

