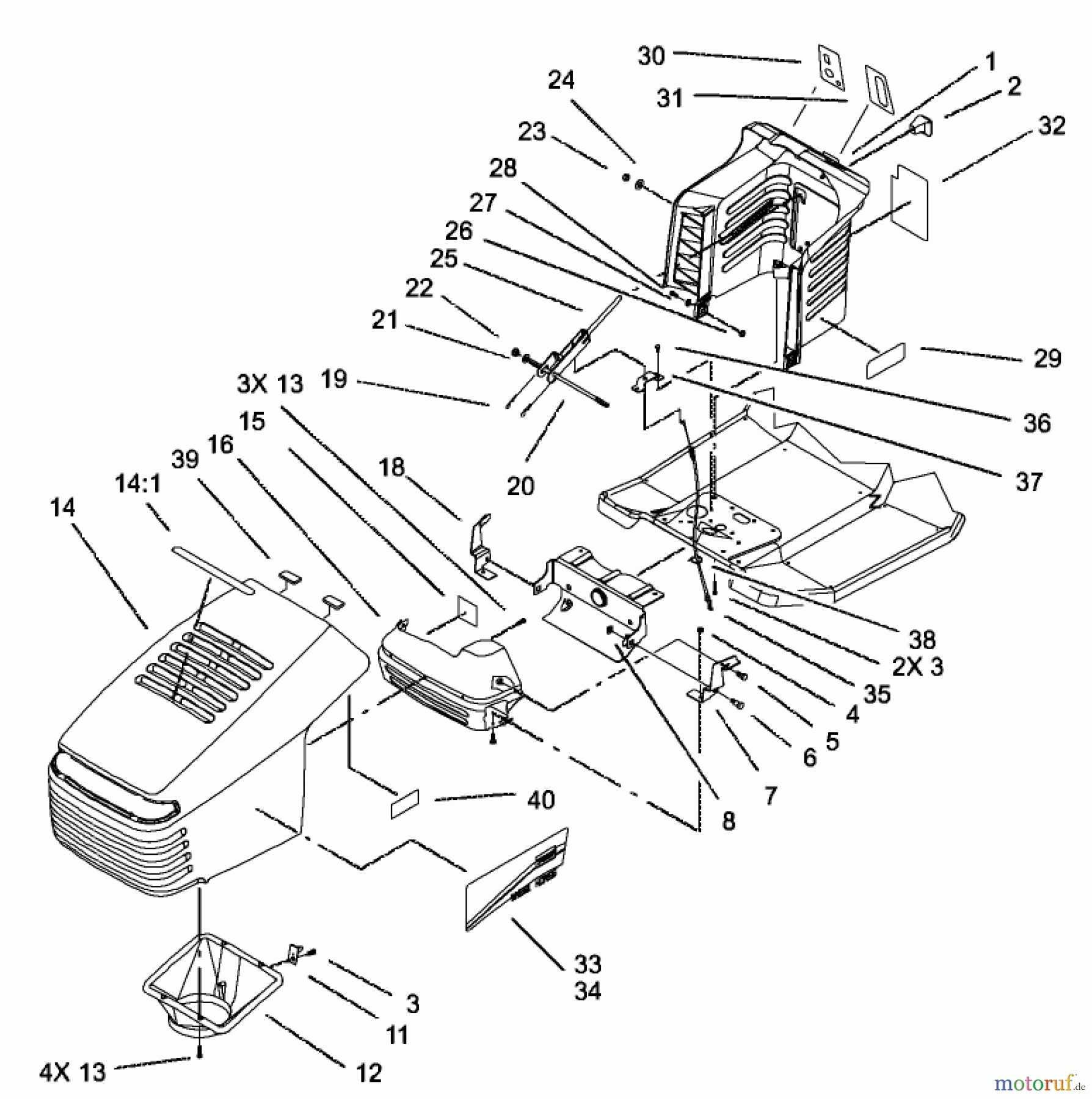
Toro 71226 (16-38XLE) - 16-38XLE Lawn Tractor, 2002 (220010001-220999999) HOOD AND TOWER ASSEMBLY Ersatzteile
HOOD AND TOWER ASSEMBLY 71226 (16-38XLE) - Toro 16-38XLE Lawn Tractor, 2002 (220010001-220999999)

Hier finden Sie die Ersatzteilzeichnung für Toro Neu Mowers, Lawn & Garden Tractor Seite 1 71226 (16-38XLE) - Toro 16-38XLE Lawn Tractor, 2002 (220010001-220999999) HOOD AND TOWER ASSEMBLY. Wählen Sie das benötigte Ersatzteil aus der Ersatzteilliste Ihres Toro Gerätes aus und bestellen Sie einfach online. Viele Toro Ersatzteile halten wir ständig in unserem Lager für Sie bereit.


Qualitätsmanagement
 Informieren Sie uns, wenn Sie einen Fehler gefunden haben.






