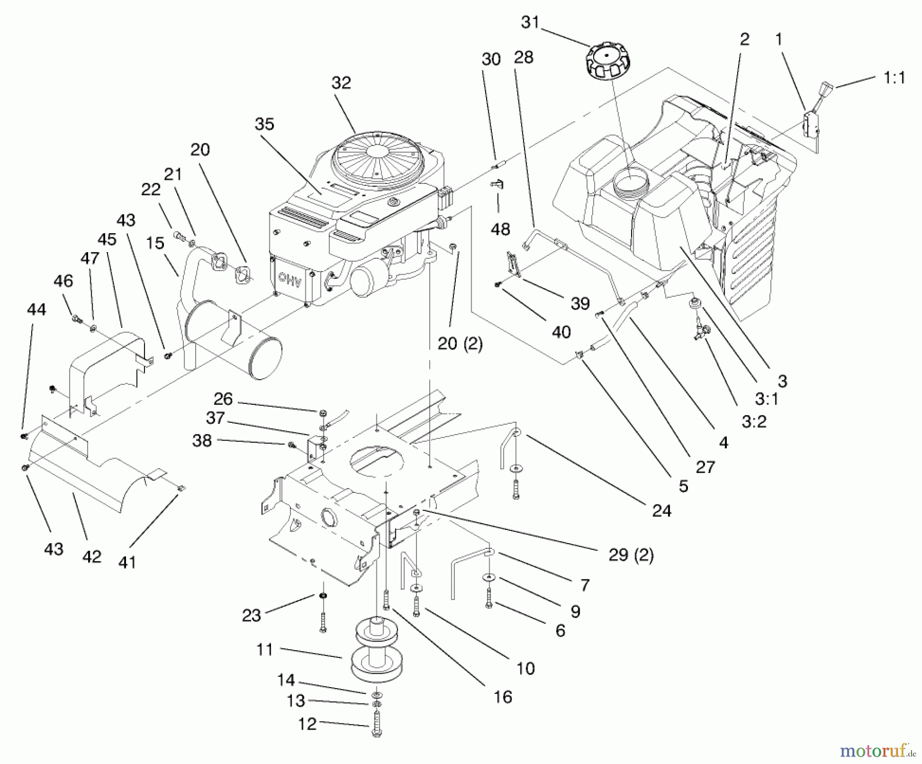
Toro 71219 (14-38HXL) - 14-38HXL Lawn Tractor, 1998 (8900001-8999999) ENGINE & GAS TANK ASSEMBLY Ersatzteile
ENGINE & GAS TANK ASSEMBLY 71219 (14-38HXL) - Toro 14-38HXL Lawn Tractor, 1998 (8900001-8999999)

Hier finden Sie die Ersatzteilzeichnung für Toro Neu Mowers, Lawn & Garden Tractor Seite 1 71219 (14-38HXL) - Toro 14-38HXL Lawn Tractor, 1998 (8900001-8999999) ENGINE & GAS TANK ASSEMBLY. Wählen Sie das benötigte Ersatzteil aus der Ersatzteilliste Ihres Toro Gerätes aus und bestellen Sie einfach online. Viele Toro Ersatzteile halten wir ständig in unserem Lager für Sie bereit.


Qualitätsmanagement
Informieren Sie uns, wenn Sie einen Fehler gefunden haben.



