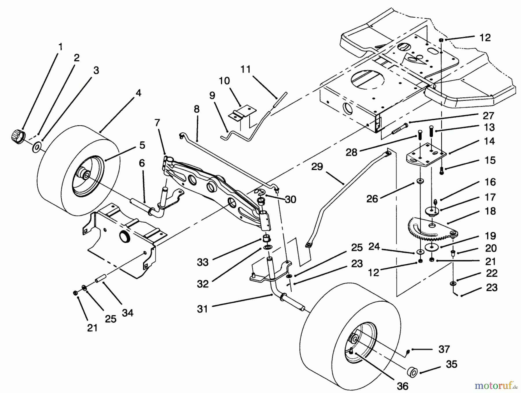
Toro 71213 (13-38HXL) - 13-38HXL Lawn Tractor, 1995 (59000001-59100000) FRONT AXLE ASSEMBLY Ersatzteile
FRONT AXLE ASSEMBLY 71213 (13-38HXL) - Toro 13-38HXL Lawn Tractor, 1995 (59000001-59100000)

Hier finden Sie die Ersatzteilzeichnung für Toro Neu Mowers, Lawn & Garden Tractor Seite 1 71213 (13-38HXL) - Toro 13-38HXL Lawn Tractor, 1995 (59000001-59100000) FRONT AXLE ASSEMBLY. Wählen Sie das benötigte Ersatzteil aus der Ersatzteilliste Ihres Toro Gerätes aus und bestellen Sie einfach online. Viele Toro Ersatzteile halten wir ständig in unserem Lager für Sie bereit.


Qualitätsmanagement
 Informieren Sie uns, wenn Sie einen Fehler gefunden haben.




