Toro 71213 (13-38HXL) - 13-38HXL Lawn Tractor, 1995 (59000001-59100000) ENGINE BRIGGS & STRATTON MODEL 28M707-0122-01 #1 Ersatzteile
ENGINE BRIGGS & STRATTON MODEL 28M707-0122-01 #1 71213 (13-38HXL) - Toro 13-38HXL Lawn Tractor, 1995 (59000001-59100000)

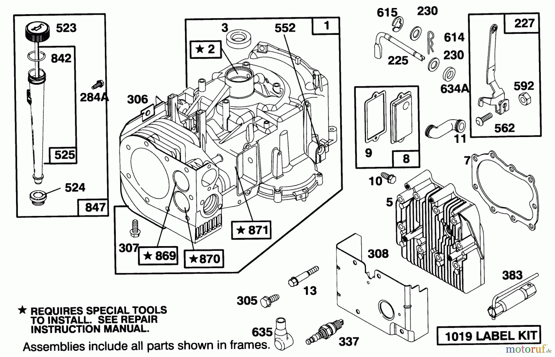
Hier finden Sie die Ersatzteilzeichnung für Toro Neu Mowers, Lawn & Garden Tractor Seite 1 71213 (13-38HXL) - Toro 13-38HXL Lawn Tractor, 1995 (59000001-59100000) ENGINE BRIGGS & STRATTON MODEL 28M707-0122-01 #1. Wählen Sie das benötigte Ersatzteil aus der Ersatzteilliste Ihres Toro Gerätes aus und bestellen Sie einfach online. Viele Toro Ersatzteile halten wir ständig in unserem Lager für Sie bereit.


Qualitätsmanagement
 Informieren Sie uns, wenn Sie einen Fehler gefunden haben.




