Toro 71200 (12-32XL) - 12-32XL Lawn Tractor, 1995 (5910001-5999999) ELECTRICAL ASSEMBLY Ersatzteile
ELECTRICAL ASSEMBLY 71200 (12-32XL) - Toro 12-32XL Lawn Tractor, 1995 (5910001-5999999)

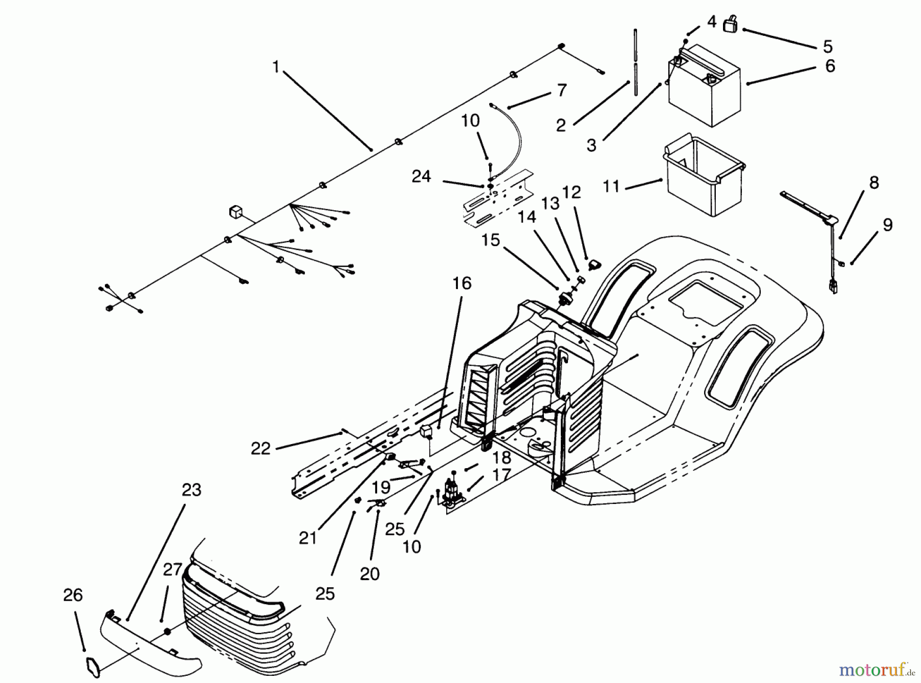
Hier finden Sie die Ersatzteilzeichnung für Toro Neu Mowers, Lawn & Garden Tractor Seite 1 71200 (12-32XL) - Toro 12-32XL Lawn Tractor, 1995 (5910001-5999999) ELECTRICAL ASSEMBLY. Wählen Sie das benötigte Ersatzteil aus der Ersatzteilliste Ihres Toro Gerätes aus und bestellen Sie einfach online. Viele Toro Ersatzteile halten wir ständig in unserem Lager für Sie bereit.


Qualitätsmanagement
Informieren Sie uns, wenn Sie einen Fehler gefunden haben.




