Toro 71200 (12-32XL) - 12-32XL Lawn Tractor, 1994 (4900001-4999999) ENGINE BRIGGS & STRATTON MODEL 282707-0119-01 #1 Ersatzteile
ENGINE BRIGGS & STRATTON MODEL 282707-0119-01 #1 71200 (12-32XL) - Toro 12-32XL Lawn Tractor, 1994 (4900001-4999999)

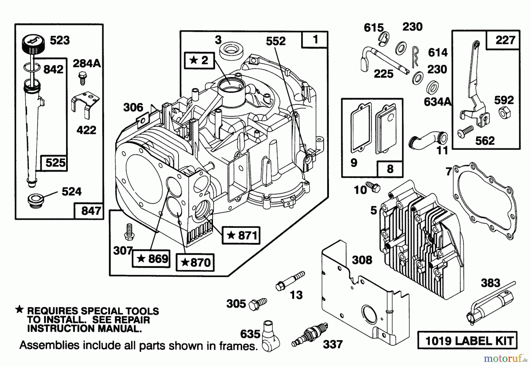
Hier finden Sie die Ersatzteilzeichnung für Toro Neu Mowers, Lawn & Garden Tractor Seite 1 71200 (12-32XL) - Toro 12-32XL Lawn Tractor, 1994 (4900001-4999999) ENGINE BRIGGS & STRATTON MODEL 282707-0119-01 #1. Wählen Sie das benötigte Ersatzteil aus der Ersatzteilliste Ihres Toro Gerätes aus und bestellen Sie einfach online. Viele Toro Ersatzteile halten wir ständig in unserem Lager für Sie bereit.






