Einstellungen Computer

Toro 71196 (16-44HXL) - 16-44HXL Lawn Tractor, 1996 (6900001-6999999) ENGINE ASSEMBLY Ersatzteile

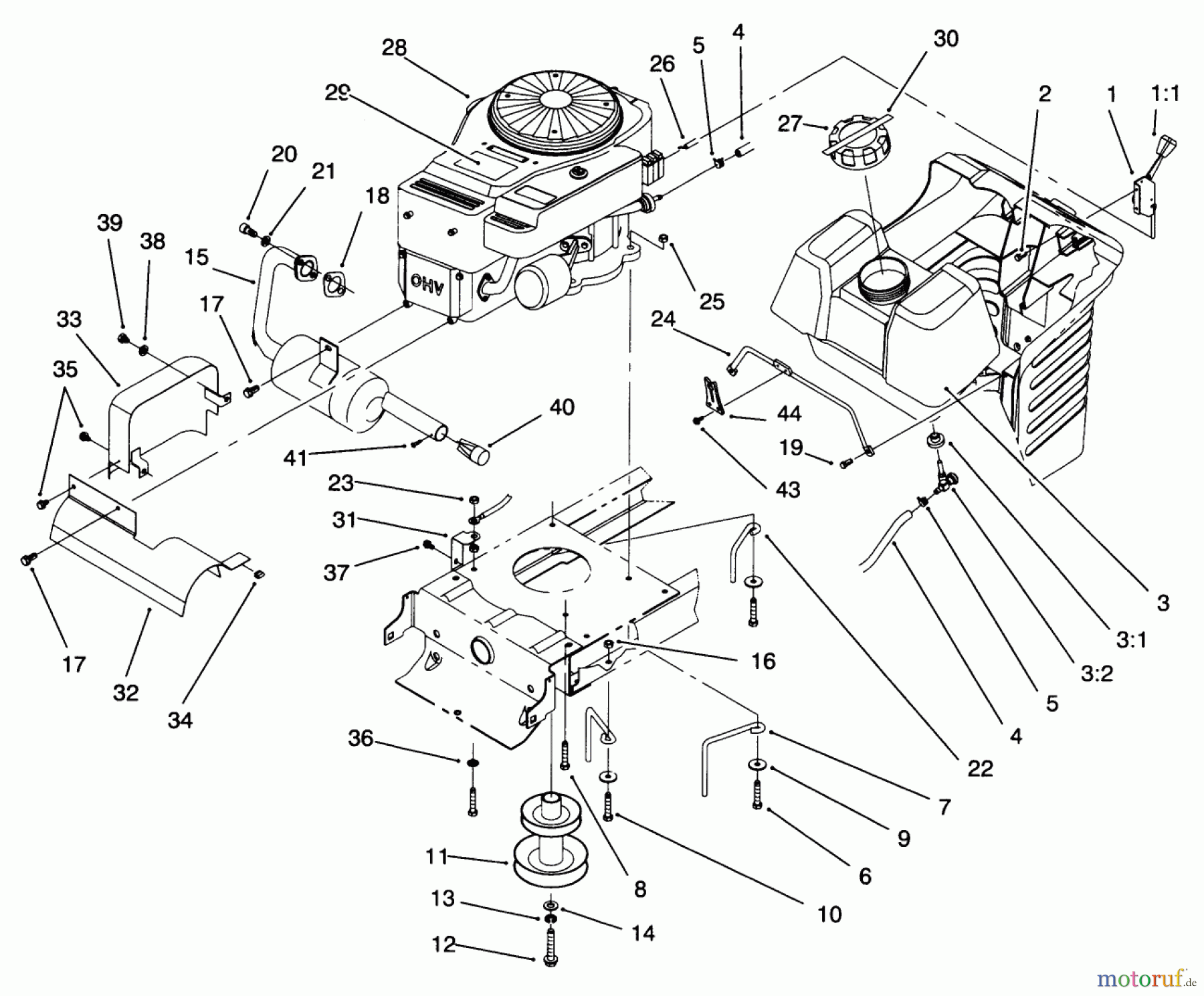
ENGINE ASSEMBLY 71196 (16-44HXL) - Toro 16-44HXL Lawn Tractor, 1996 (6900001-6999999)

 Toro Neu Mowers, Lawn & Garden Tractor Seite 1 71196 (16-44HXL) - Toro 16-44HXL Lawn Tractor, 1996 (6900001-6999999) ENGINE ASSEMBLY

Hier finden Sie die Ersatzteilzeichnung für Toro Neu Mowers, Lawn & Garden Tractor Seite 1 71196 (16-44HXL) - Toro 16-44HXL Lawn Tractor, 1996 (6900001-6999999) ENGINE ASSEMBLY. Wählen Sie das benötigte Ersatzteil aus der Ersatzteilliste Ihres Toro Gerätes aus und bestellen Sie einfach online. Viele Toro Ersatzteile halten wir ständig in unserem Lager für Sie bereit.

Rasen
Bankeinzug, MasterCard, Visa, American Express, PayPal, Nachnahme, Vorauskasse, Sofortüberweisung
Datenschutzerklärung Impressum
Qualitätsmanagement
Informieren Sie uns, wenn Sie einen Fehler gefunden haben.