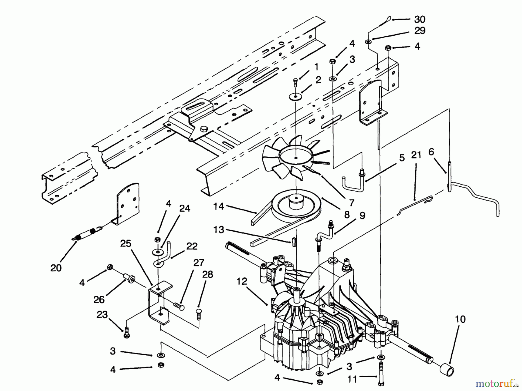
Toro 71191 (13-38HXL) - 13-38HXL Lawn Tractor, 1994 (4900001-4999999) TRANSAXLE ASSEMBLY Ersatzteile
TRANSAXLE ASSEMBLY 71191 (13-38HXL) - Toro 13-38HXL Lawn Tractor, 1994 (4900001-4999999)

Hier finden Sie die Ersatzteilzeichnung für Toro Neu Mowers, Lawn & Garden Tractor Seite 1 71191 (13-38HXL) - Toro 13-38HXL Lawn Tractor, 1994 (4900001-4999999) TRANSAXLE ASSEMBLY. Wählen Sie das benötigte Ersatzteil aus der Ersatzteilliste Ihres Toro Gerätes aus und bestellen Sie einfach online. Viele Toro Ersatzteile halten wir ständig in unserem Lager für Sie bereit.




