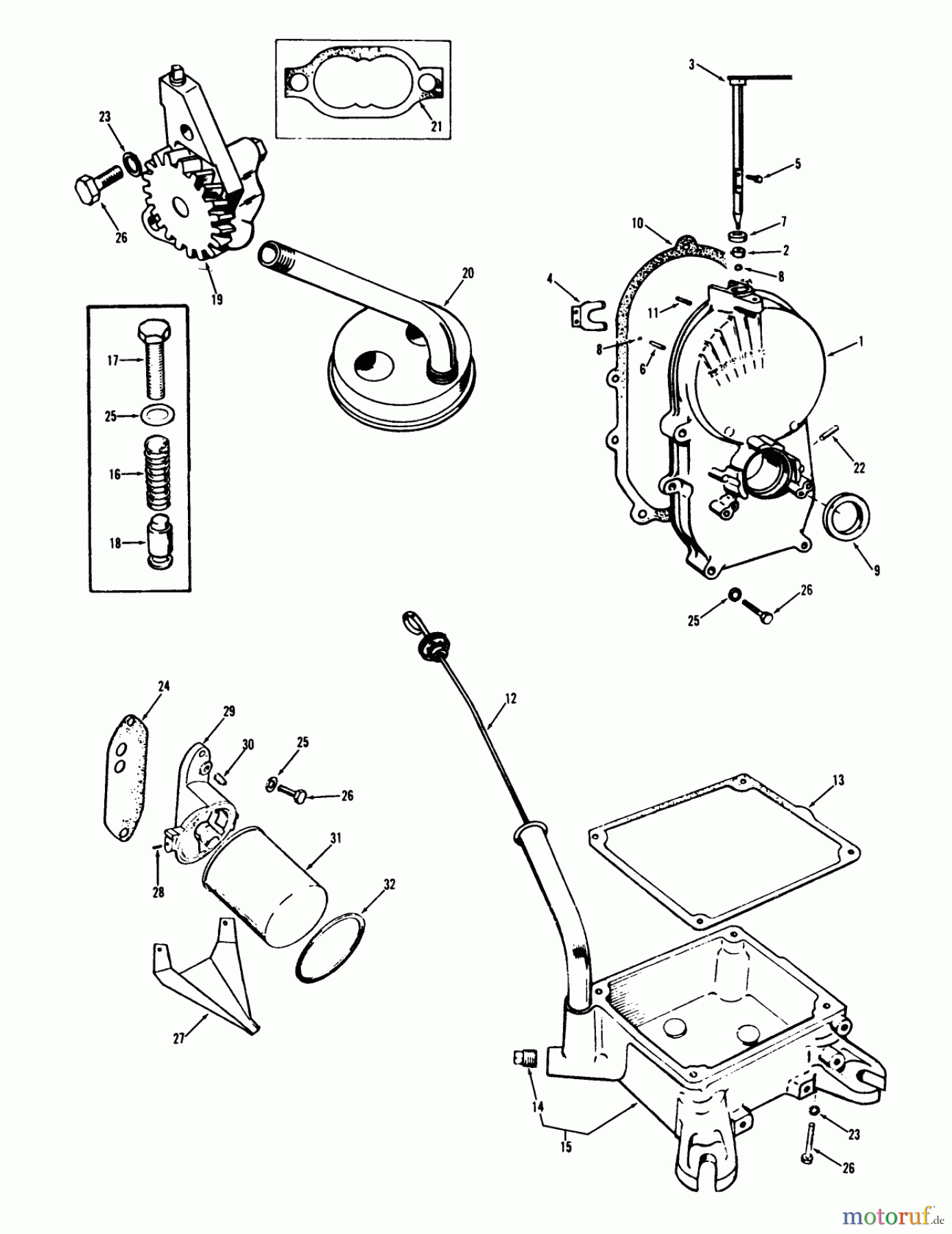
Toro 71-16OS01 (D-160) - D-160 Automatic Tractor, 1977 D-160 ONAN ENGINE, GEAR COVER, OIL BASE AND PUMP GROUP Ersatzteile
D-160 ONAN ENGINE, GEAR COVER, OIL BASE AND PUMP GROUP 71-16OS01 (D-160) - Toro D-160 Automatic Tractor, 1977

Hier finden Sie die Ersatzteilzeichnung für Toro Neu Mowers, Lawn & Garden Tractor Seite 1 71-16OS01 (D-160) - Toro D-160 Automatic Tractor, 1977 D-160 ONAN ENGINE, GEAR COVER, OIL BASE AND PUMP GROUP. Wählen Sie das benötigte Ersatzteil aus der Ersatzteilliste Ihres Toro Gerätes aus und bestellen Sie einfach online. Viele Toro Ersatzteile halten wir ständig in unserem Lager für Sie bereit.


Qualitätsmanagement
Informieren Sie uns, wenn Sie einen Fehler gefunden haben.

