Toro 607 - 607 Tractor, 1967 PARTS LIST FOR 5053 TRANSMISSION Ersatzteile
PARTS LIST FOR 5053 TRANSMISSION 607 - Toro 607 Tractor, 1967

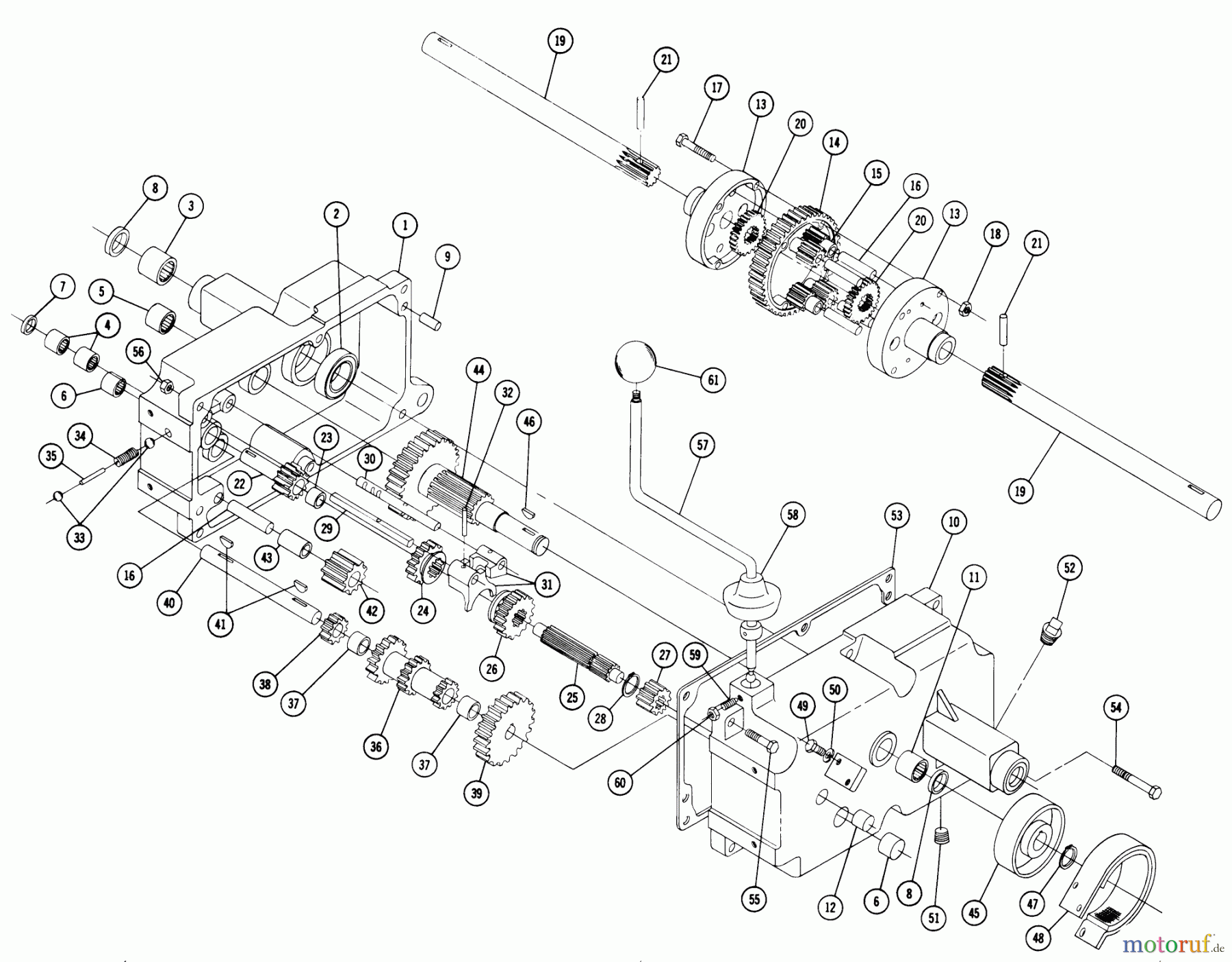
Hier finden Sie die Ersatzteilzeichnung für Toro Neu Mowers, Lawn & Garden Tractor Seite 1 607 - Toro 607 Tractor, 1967 PARTS LIST FOR 5053 TRANSMISSION. Wählen Sie das benötigte Ersatzteil aus der Ersatzteilliste Ihres Toro Gerätes aus und bestellen Sie einfach online. Viele Toro Ersatzteile halten wir ständig in unserem Lager für Sie bereit.


Qualitätsmanagement
Informieren Sie uns, wenn Sie einen Fehler gefunden haben.

