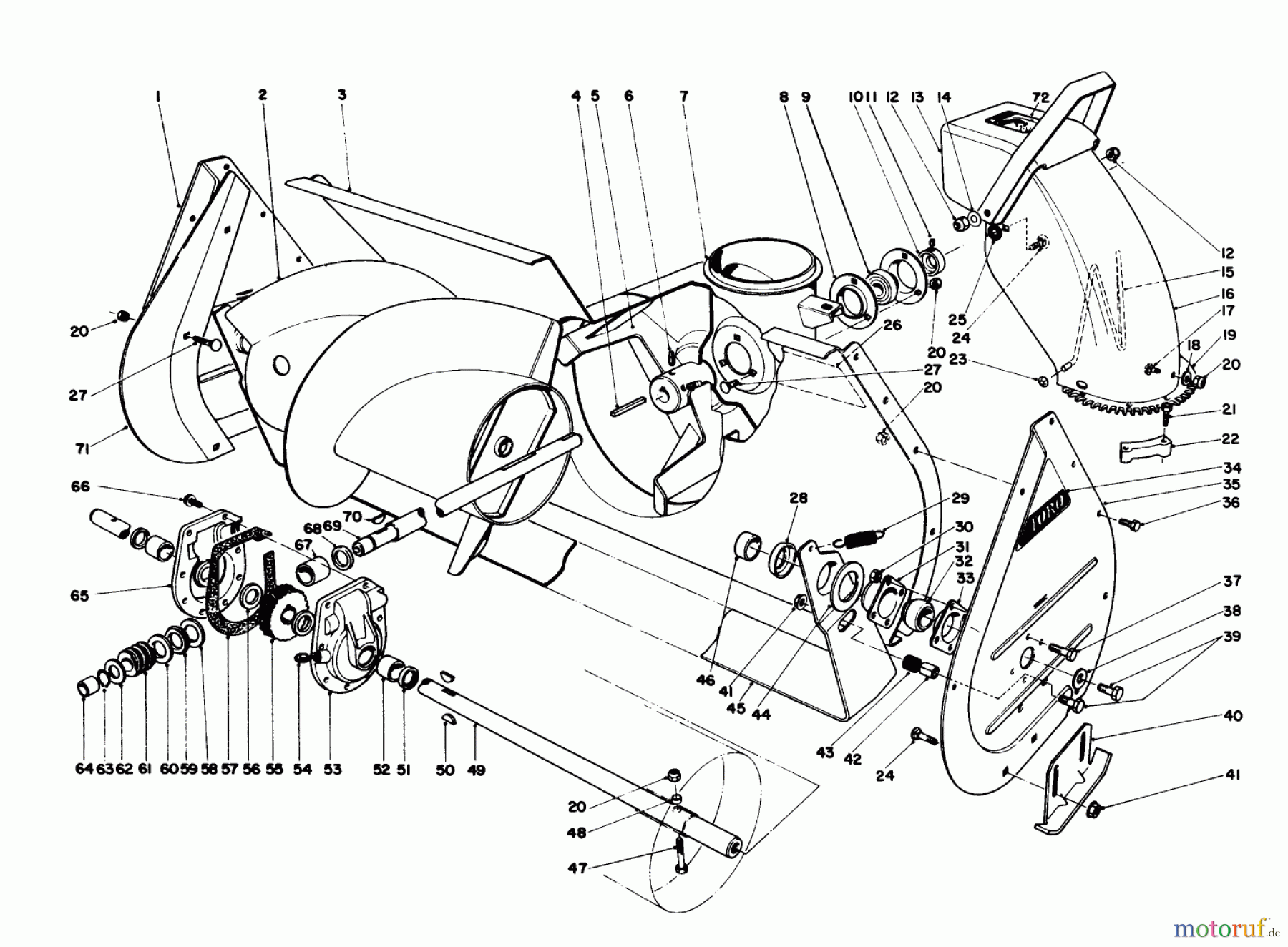
Toro 57430 (12-44) - 12-44 Pro Lawn Tractor, 1988 (8000001-8999999) AUGER ASSEMBLY 36" SNOWTHROWER ATTACHMENT MODEL NO. 59160 (OPTIONAL) Ersatzteile
AUGER ASSEMBLY 36" SNOWTHROWER ATTACHMENT MODEL NO. 59160 (OPTIONAL) 57430 (12-44) - Toro 12-44 Pro Lawn Tractor, 1988 (8000001-8999999)

Hier finden Sie die Ersatzteilzeichnung für Toro Neu Mowers, Lawn & Garden Tractor Seite 1 57430 (12-44) - Toro 12-44 Pro Lawn Tractor, 1988 (8000001-8999999) AUGER ASSEMBLY 36" SNOWTHROWER ATTACHMENT MODEL NO. 59160 (OPTIONAL). Wählen Sie das benötigte Ersatzteil aus der Ersatzteilliste Ihres Toro Gerätes aus und bestellen Sie einfach online. Viele Toro Ersatzteile halten wir ständig in unserem Lager für Sie bereit.


Qualitätsmanagement
Informieren Sie uns, wenn Sie einen Fehler gefunden haben.





