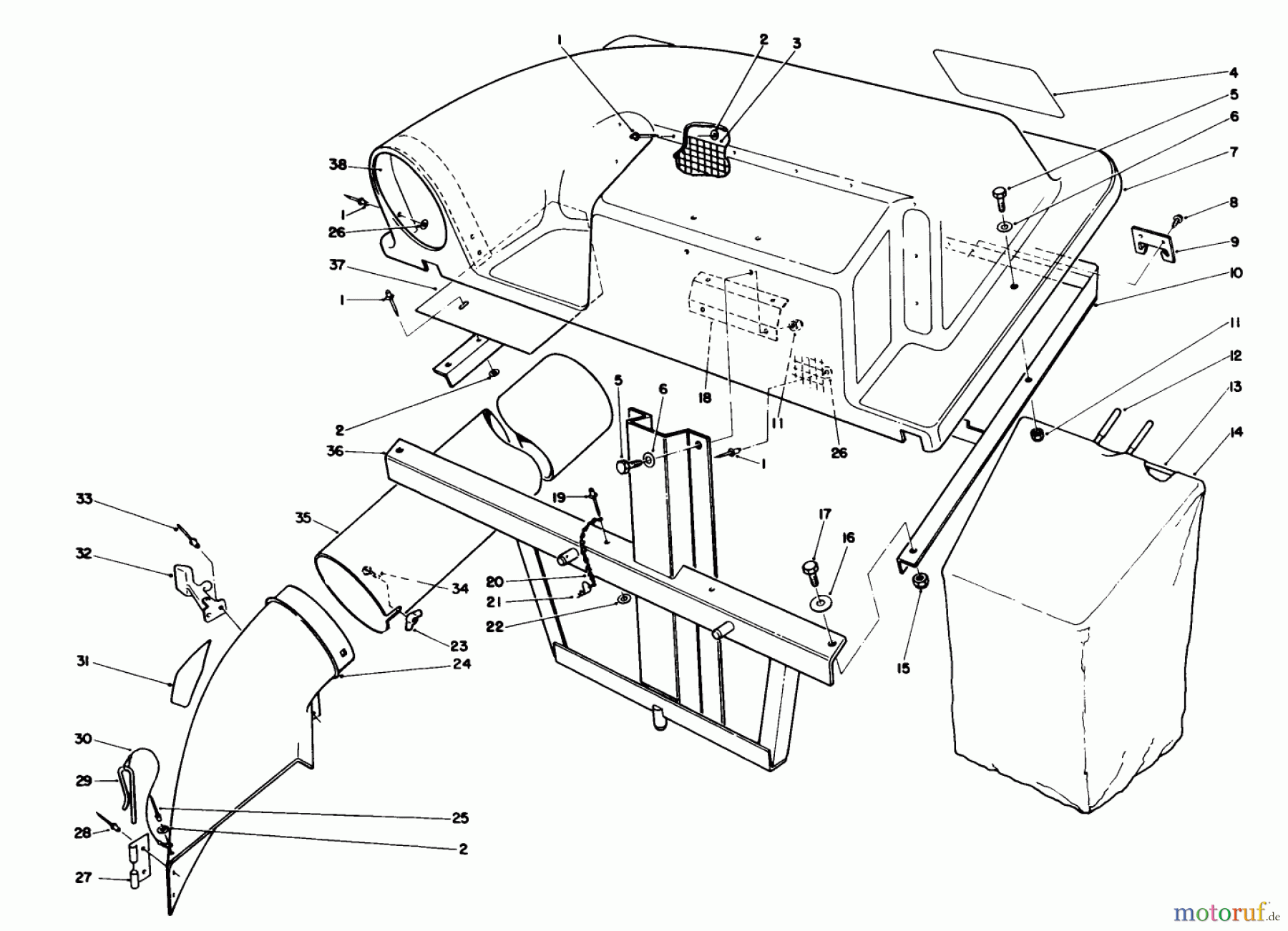
Toro 57400 - 12 hp Electric Start Lawn Tractor, 1988 (8000001-8999999) TWIN BAGGER GRASS CATCHER MODEL NO. 59184 (OPTIONAL) Ersatzteile
TWIN BAGGER GRASS CATCHER MODEL NO. 59184 (OPTIONAL) 57400 - Toro 12 hp Electric Start Lawn Tractor, 1988 (8000001-8999999)

Hier finden Sie die Ersatzteilzeichnung für Toro Neu Mowers, Lawn & Garden Tractor Seite 1 57400 - Toro 12 hp Electric Start Lawn Tractor, 1988 (8000001-8999999) TWIN BAGGER GRASS CATCHER MODEL NO. 59184 (OPTIONAL). Wählen Sie das benötigte Ersatzteil aus der Ersatzteilliste Ihres Toro Gerätes aus und bestellen Sie einfach online. Viele Toro Ersatzteile halten wir ständig in unserem Lager für Sie bereit.







