Toro 57400 - 12 hp Electric Start Lawn Tractor, 1988 (8000001-8999999) ENGINE BRIGGS & STRATTON MODEL 281707-0165-01 #2 Ersatzteile
ENGINE BRIGGS & STRATTON MODEL 281707-0165-01 #2 57400 - Toro 12 hp Electric Start Lawn Tractor, 1988 (8000001-8999999)

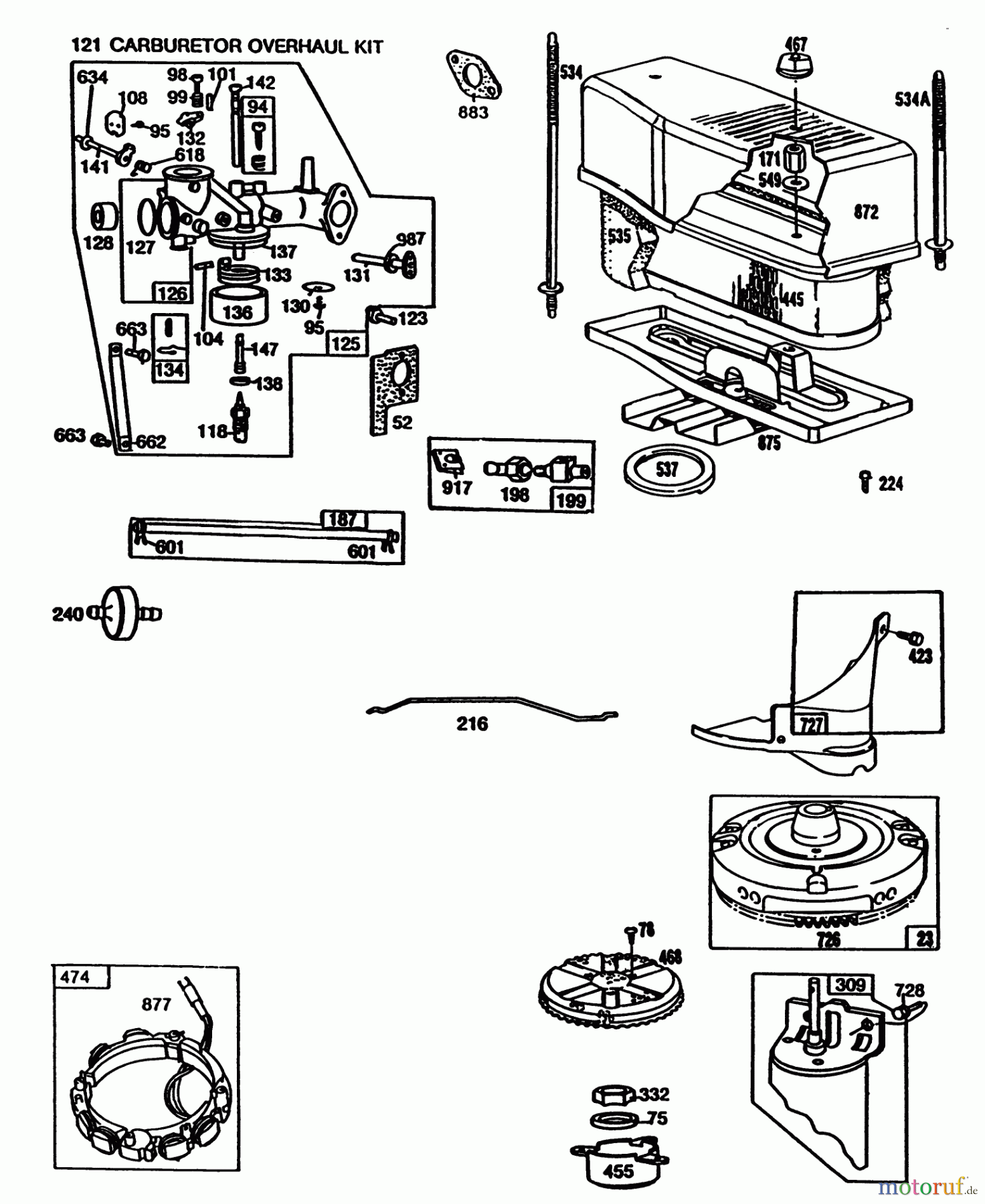
Hier finden Sie die Ersatzteilzeichnung für Toro Neu Mowers, Lawn & Garden Tractor Seite 1 57400 - Toro 12 hp Electric Start Lawn Tractor, 1988 (8000001-8999999) ENGINE BRIGGS & STRATTON MODEL 281707-0165-01 #2. Wählen Sie das benötigte Ersatzteil aus der Ersatzteilliste Ihres Toro Gerätes aus und bestellen Sie einfach online. Viele Toro Ersatzteile halten wir ständig in unserem Lager für Sie bereit.







