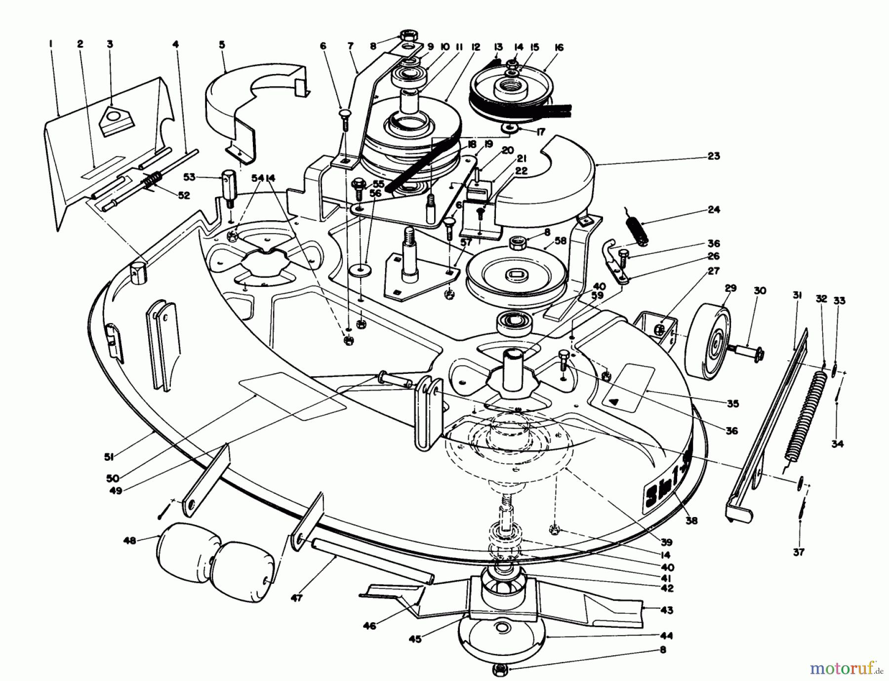
Toro 57400 - 12 hp Electric Start Lawn Tractor, 1988 (8000001-8999999) 38" CUTTING DECK MODEL NO. 59147 Ersatzteile
38" CUTTING DECK MODEL NO. 59147 57400 - Toro 12 hp Electric Start Lawn Tractor, 1988 (8000001-8999999)

Hier finden Sie die Ersatzteilzeichnung für Toro Neu Mowers, Lawn & Garden Tractor Seite 1 57400 - Toro 12 hp Electric Start Lawn Tractor, 1988 (8000001-8999999) 38" CUTTING DECK MODEL NO. 59147. Wählen Sie das benötigte Ersatzteil aus der Ersatzteilliste Ihres Toro Gerätes aus und bestellen Sie einfach online. Viele Toro Ersatzteile halten wir ständig in unserem Lager für Sie bereit.







