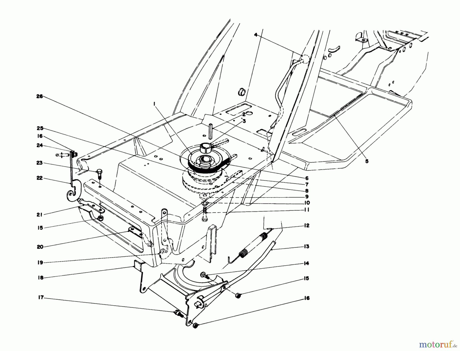
Toro 57375 - 8 hp Front Engine Rider, 1980 (0000001-0999999) CLUTCH & ACTUATOR ASSEMBLY Ersatzteile
CLUTCH & ACTUATOR ASSEMBLY 57375 - Toro 8 hp Front Engine Rider, 1980 (0000001-0999999)

Hier finden Sie die Ersatzteilzeichnung für Toro Neu Mowers, Lawn & Garden Tractor Seite 1 57375 - Toro 8 hp Front Engine Rider, 1980 (0000001-0999999) CLUTCH & ACTUATOR ASSEMBLY. Wählen Sie das benötigte Ersatzteil aus der Ersatzteilliste Ihres Toro Gerätes aus und bestellen Sie einfach online. Viele Toro Ersatzteile halten wir ständig in unserem Lager für Sie bereit.



