Toro 57360 (11-32) - 11-32 Lawn Tractor, 1985 (5000001-5999999) ENGINE BRIGGS & STRATTON MODEL 253707-0157-01 (MODEL 57360) #2 Ersatzteile
ENGINE BRIGGS & STRATTON MODEL 253707-0157-01 (MODEL 57360) #2 57360 (11-32) - Toro 11-32 Lawn Tractor, 1985 (5000001-5999999)

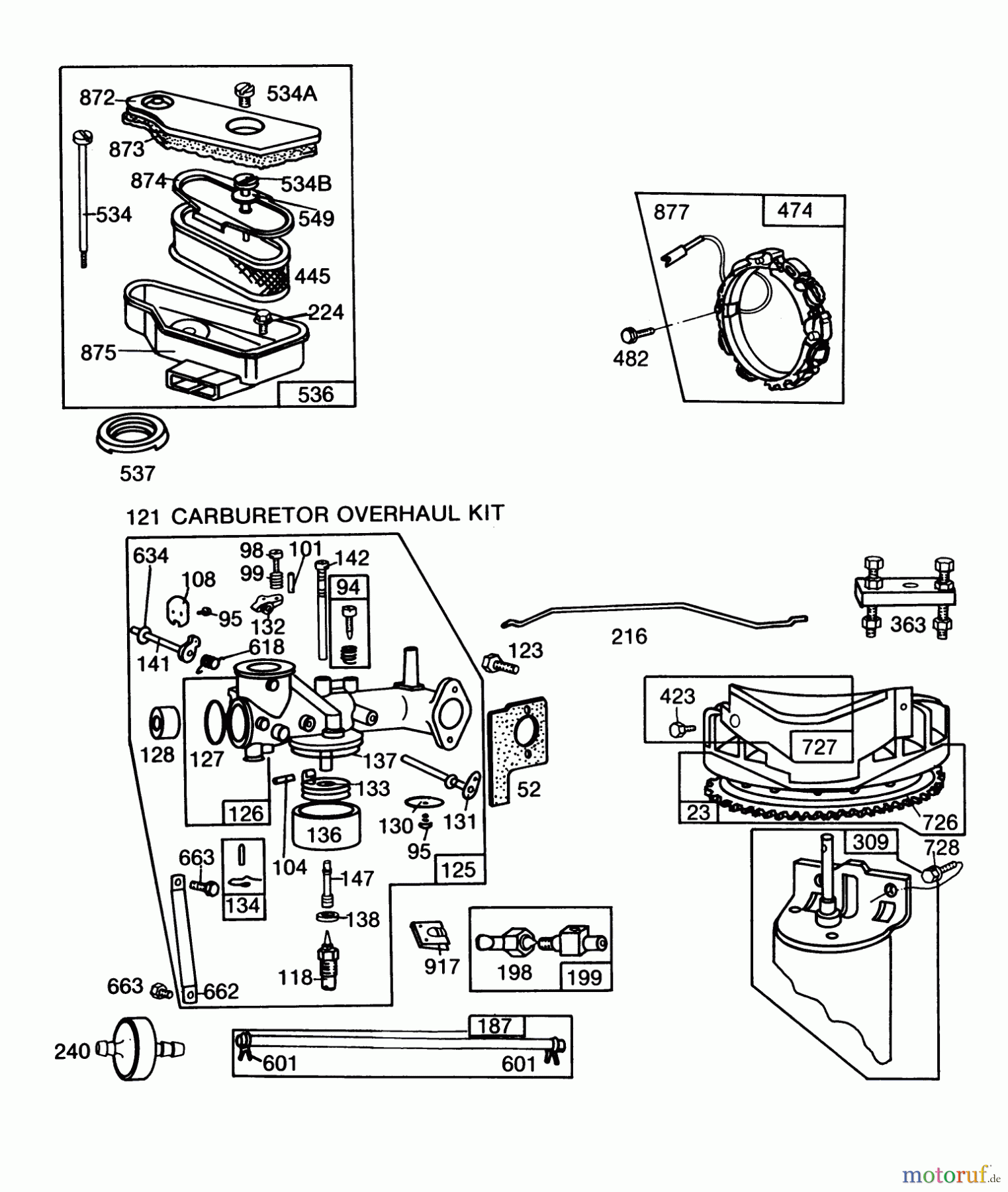
Hier finden Sie die Ersatzteilzeichnung für Toro Neu Mowers, Lawn & Garden Tractor Seite 1 57360 (11-32) - Toro 11-32 Lawn Tractor, 1985 (5000001-5999999) ENGINE BRIGGS & STRATTON MODEL 253707-0157-01 (MODEL 57360) #2. Wählen Sie das benötigte Ersatzteil aus der Ersatzteilliste Ihres Toro Gerätes aus und bestellen Sie einfach online. Viele Toro Ersatzteile halten wir ständig in unserem Lager für Sie bereit.







