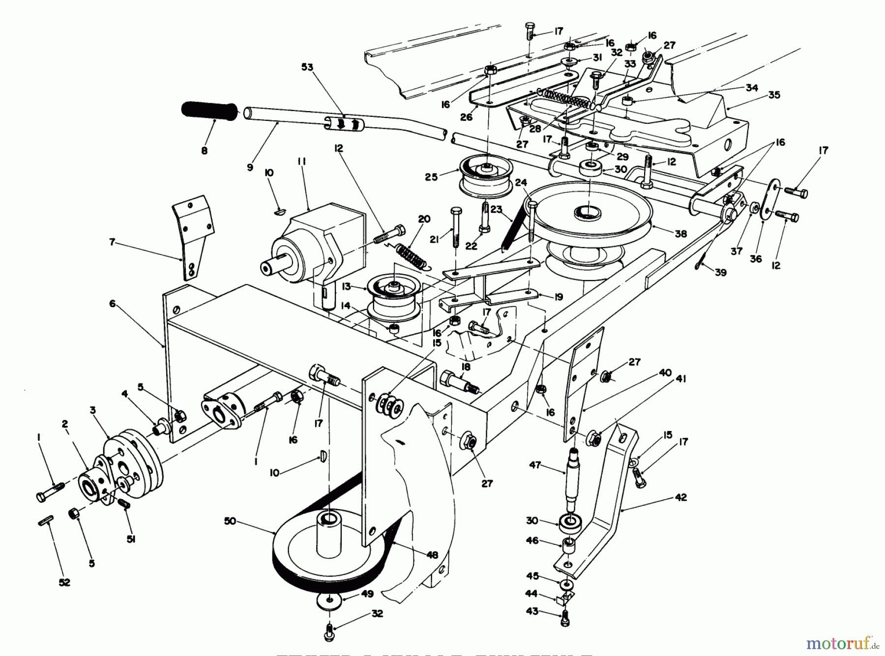
Toro 57357 (11-44) - 11-44 Lawn Tractor, 1984 (4000001-4999999) FRAME & PULLEY ASSEMBLY 36" SNOWTHROWER ATTACHMENT MODEL NO. 59160 (OPTIONAL) Ersatzteile
FRAME & PULLEY ASSEMBLY 36" SNOWTHROWER ATTACHMENT MODEL NO. 59160 (OPTIONAL) 57357 (11-44) - Toro 11-44 Lawn Tractor, 1984 (4000001-4999999)

Hier finden Sie die Ersatzteilzeichnung für Toro Neu Mowers, Lawn & Garden Tractor Seite 1 57357 (11-44) - Toro 11-44 Lawn Tractor, 1984 (4000001-4999999) FRAME & PULLEY ASSEMBLY 36" SNOWTHROWER ATTACHMENT MODEL NO. 59160 (OPTIONAL). Wählen Sie das benötigte Ersatzteil aus der Ersatzteilliste Ihres Toro Gerätes aus und bestellen Sie einfach online. Viele Toro Ersatzteile halten wir ständig in unserem Lager für Sie bereit.


Qualitätsmanagement
Informieren Sie uns, wenn Sie einen Fehler gefunden haben.


