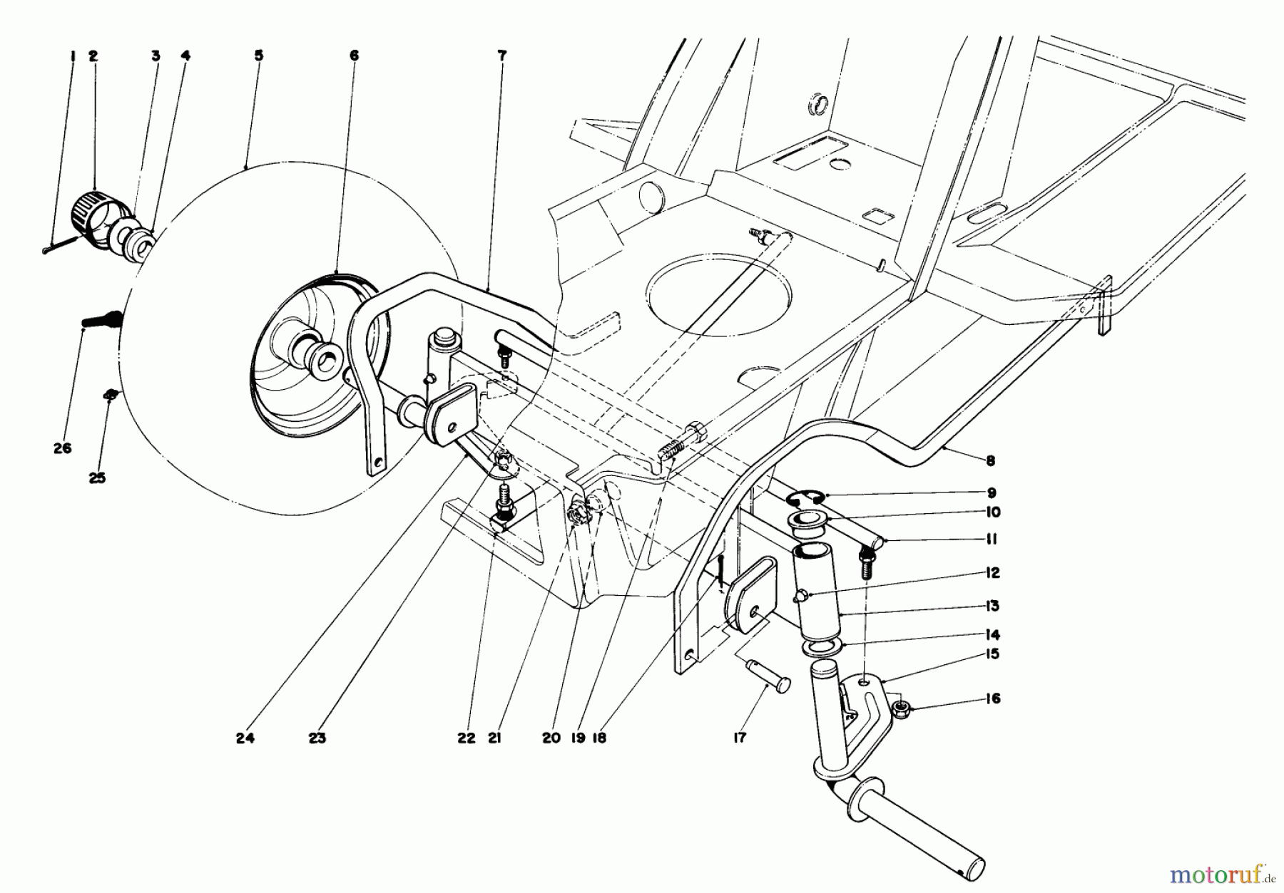
Toro 57357 (11-44) - 11-44 Lawn Tractor, 1982 (2000001-2999999) FRONT AXLE ASSEMBLY Ersatzteile
FRONT AXLE ASSEMBLY 57357 (11-44) - Toro 11-44 Lawn Tractor, 1982 (2000001-2999999)

Hier finden Sie die Ersatzteilzeichnung für Toro Neu Mowers, Lawn & Garden Tractor Seite 1 57357 (11-44) - Toro 11-44 Lawn Tractor, 1982 (2000001-2999999) FRONT AXLE ASSEMBLY. Wählen Sie das benötigte Ersatzteil aus der Ersatzteilliste Ihres Toro Gerätes aus und bestellen Sie einfach online. Viele Toro Ersatzteile halten wir ständig in unserem Lager für Sie bereit.



