Toro 57356 (11-42) - 11-42 Lawn Tractor, 1985 (5000001-5999999) ENGINE BRIGGS & STRATTON MODEL 253707-0157-01 #1 Ersatzteile
ENGINE BRIGGS & STRATTON MODEL 253707-0157-01 #1 57356 (11-42) - Toro 11-42 Lawn Tractor, 1985 (5000001-5999999)

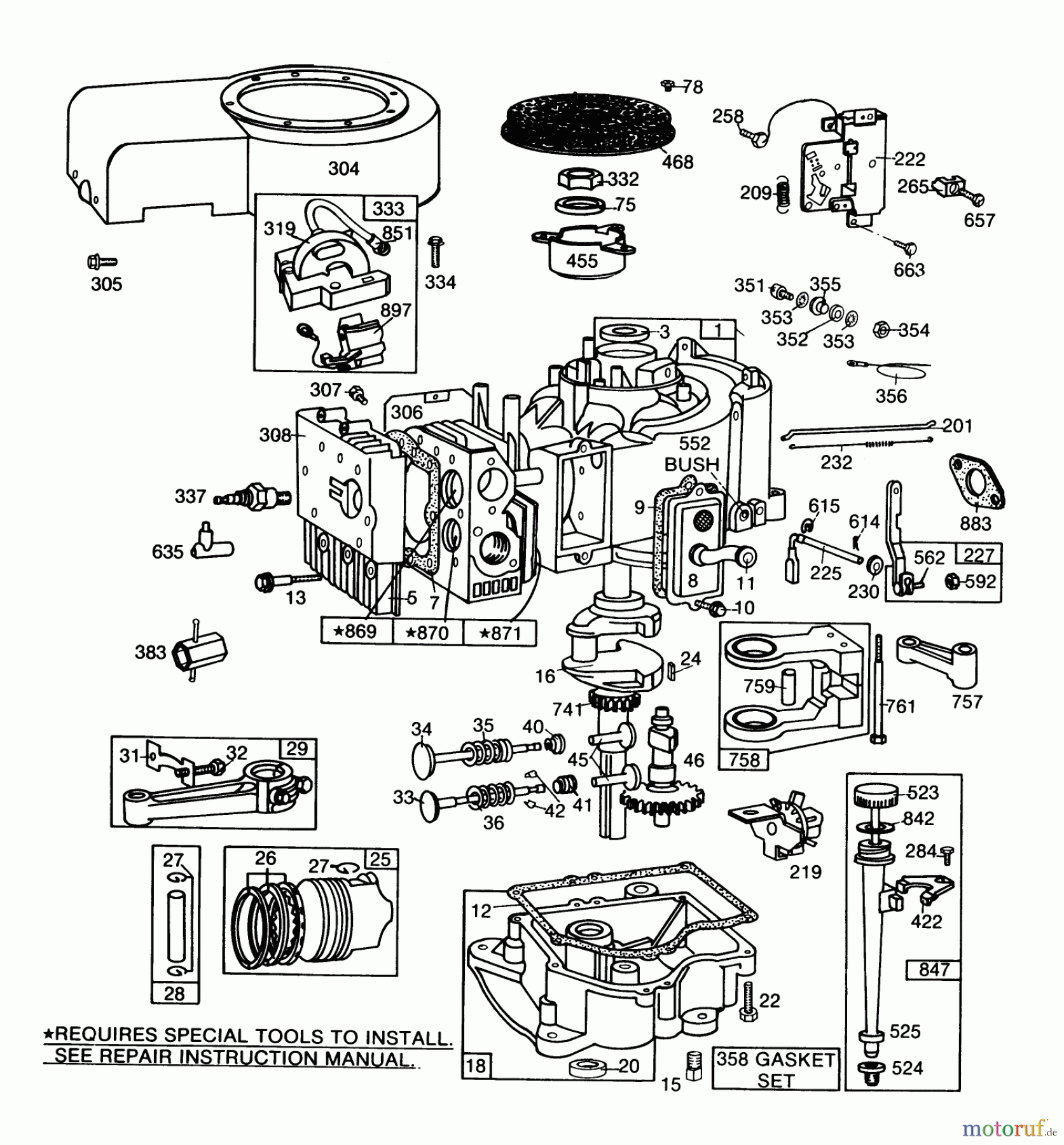
Hier finden Sie die Ersatzteilzeichnung für Toro Neu Mowers, Lawn & Garden Tractor Seite 1 57356 (11-42) - Toro 11-42 Lawn Tractor, 1985 (5000001-5999999) ENGINE BRIGGS & STRATTON MODEL 253707-0157-01 #1. Wählen Sie das benötigte Ersatzteil aus der Ersatzteilliste Ihres Toro Gerätes aus und bestellen Sie einfach online. Viele Toro Ersatzteile halten wir ständig in unserem Lager für Sie bereit.








