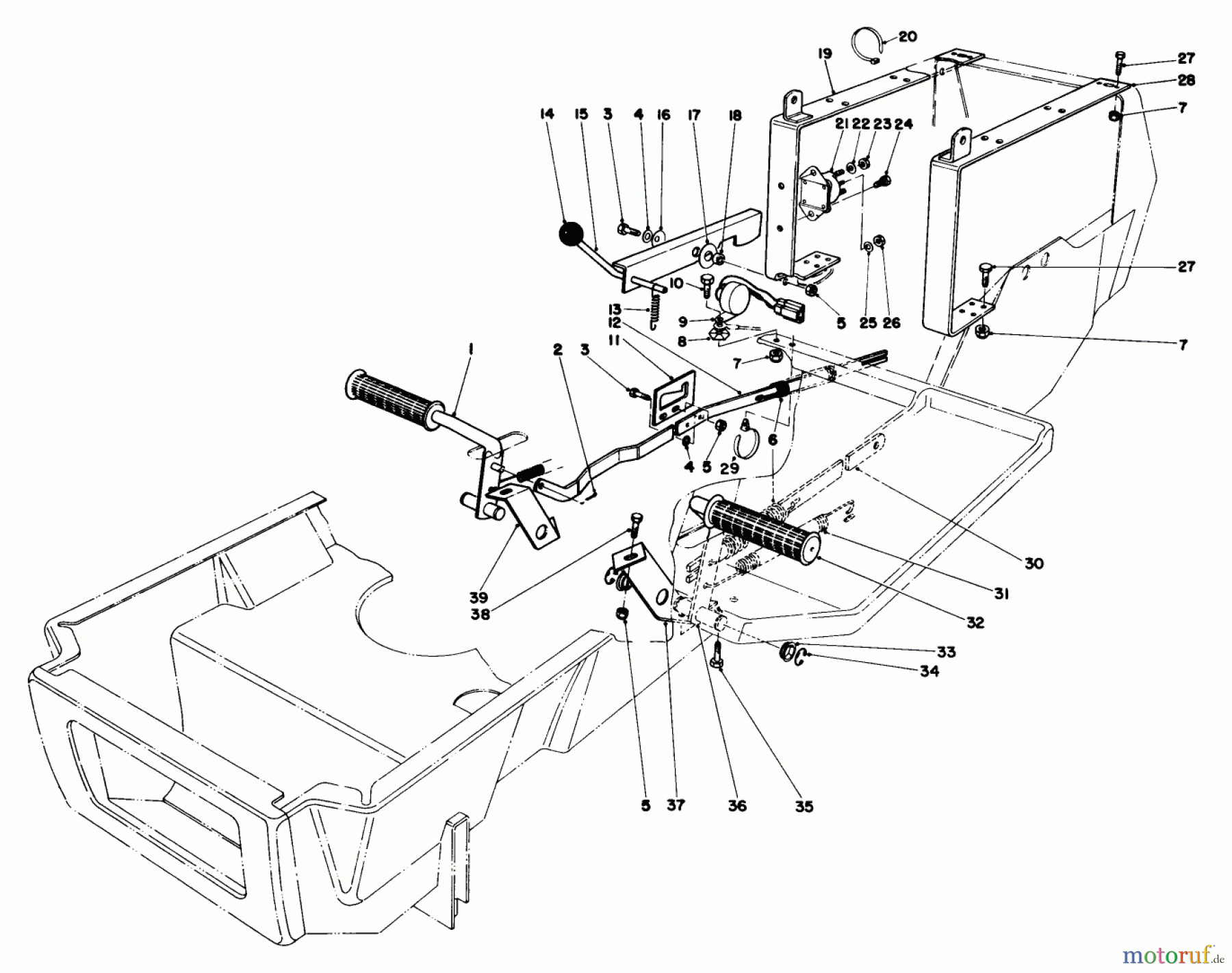
Toro 57356 (11-42) - 11-42 Lawn Tractor, 1983 (3000001-3999999) BRAKE & CLUTCH PEDAL ASSEMBLY Ersatzteile
BRAKE & CLUTCH PEDAL ASSEMBLY 57356 (11-42) - Toro 11-42 Lawn Tractor, 1983 (3000001-3999999)

Hier finden Sie die Ersatzteilzeichnung für Toro Neu Mowers, Lawn & Garden Tractor Seite 1 57356 (11-42) - Toro 11-42 Lawn Tractor, 1983 (3000001-3999999) BRAKE & CLUTCH PEDAL ASSEMBLY. Wählen Sie das benötigte Ersatzteil aus der Ersatzteilliste Ihres Toro Gerätes aus und bestellen Sie einfach online. Viele Toro Ersatzteile halten wir ständig in unserem Lager für Sie bereit.


Qualitätsmanagement
Informieren Sie uns, wenn Sie einen Fehler gefunden haben.


