Einstellungen Computer

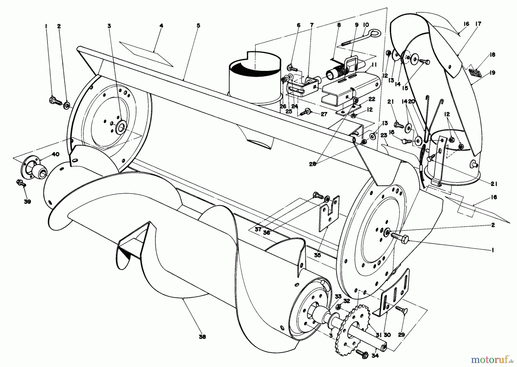
Toro 57356 (11-42) - 11-42 Lawn Tractor, 1980 (0000001-0999999) 36" SNOWTHROWER ATTACHMENT MODEL 59136 #5 Ersatzteile

36" SNOWTHROWER ATTACHMENT MODEL 59136 #5 57356 (11-42) - Toro 11-42 Lawn Tractor, 1980 (0000001-0999999)

 Toro Neu Mowers, Lawn & Garden Tractor Seite 1 57356 (11-42) - Toro 11-42 Lawn Tractor, 1980 (0000001-0999999) 36

Hier finden Sie die Ersatzteilzeichnung für Toro Neu Mowers, Lawn & Garden Tractor Seite 1 57356 (11-42) - Toro 11-42 Lawn Tractor, 1980 (0000001-0999999) 36" SNOWTHROWER ATTACHMENT MODEL 59136 #5. Wählen Sie das benötigte Ersatzteil aus der Ersatzteilliste Ihres Toro Gerätes aus und bestellen Sie einfach online. Viele Toro Ersatzteile halten wir ständig in unserem Lager für Sie bereit.

Rasen
Bankeinzug, MasterCard, Visa, American Express, PayPal, Nachnahme, Vorauskasse, Sofortüberweisung
Datenschutzerklärung Impressum
Qualitätsmanagement
Informieren Sie uns, wenn Sie einen Fehler gefunden haben.