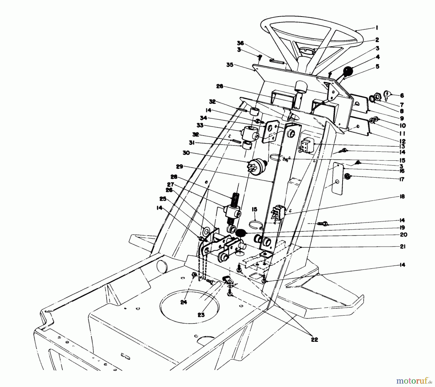
Toro 57354 (11-44) - 11-44 Pro Lawn Tractor, 1986 (6000001-6999999) STEERING WHEEL & DASH ASSEMBLY Ersatzteile
STEERING WHEEL & DASH ASSEMBLY 57354 (11-44) - Toro 11-44 Pro Lawn Tractor, 1986 (6000001-6999999)

Hier finden Sie die Ersatzteilzeichnung für Toro Neu Mowers, Lawn & Garden Tractor Seite 1 57354 (11-44) - Toro 11-44 Pro Lawn Tractor, 1986 (6000001-6999999) STEERING WHEEL & DASH ASSEMBLY. Wählen Sie das benötigte Ersatzteil aus der Ersatzteilliste Ihres Toro Gerätes aus und bestellen Sie einfach online. Viele Toro Ersatzteile halten wir ständig in unserem Lager für Sie bereit.



