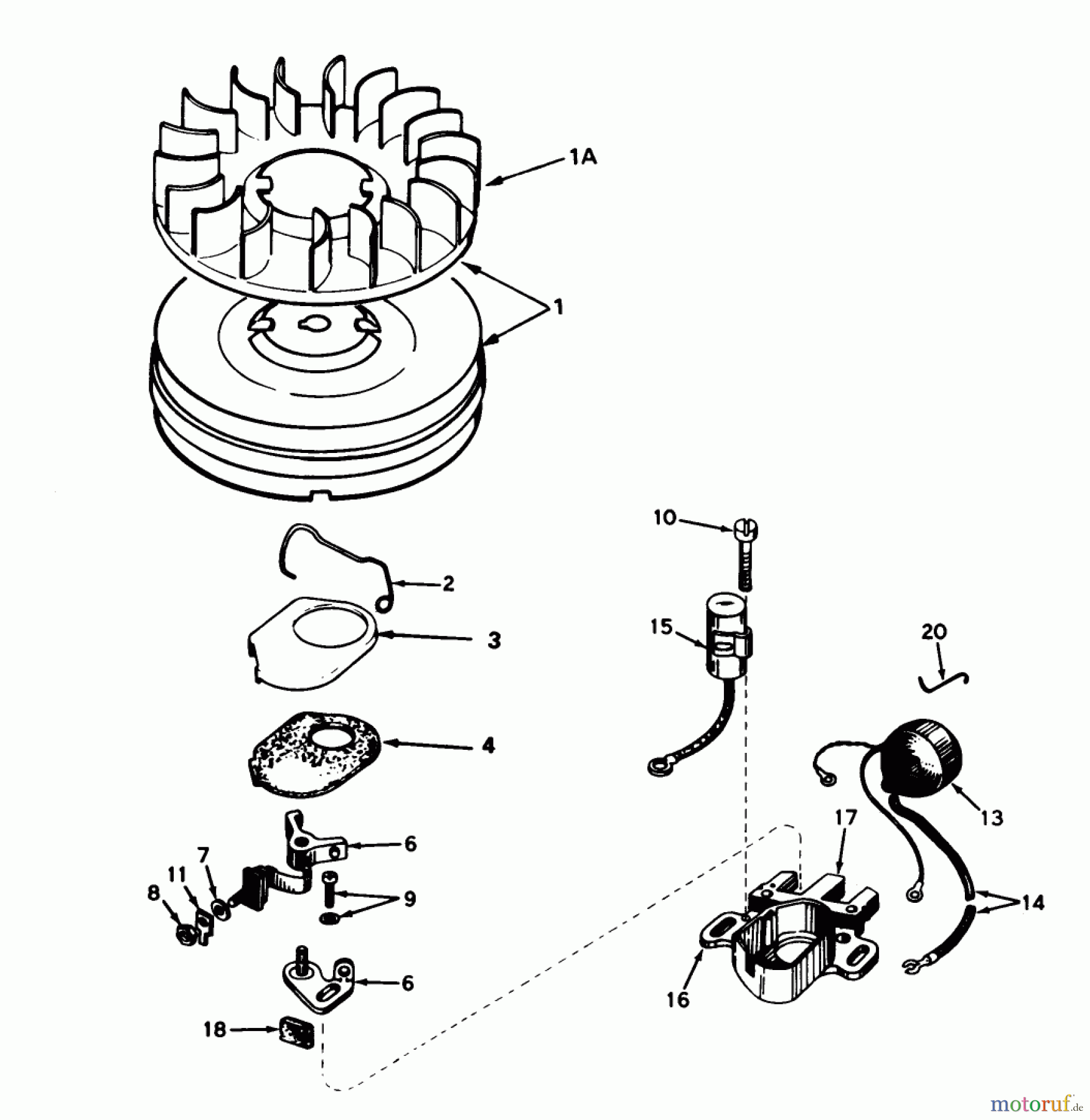
Toro 57305 - 32" Lawn Tractor, 1978 (8000001-8999999) MAGNETO NO. 610842 Ersatzteile
MAGNETO NO. 610842 57305 - Toro 32" Lawn Tractor, 1978 (8000001-8999999)

Hier finden Sie die Ersatzteilzeichnung für Toro Neu Mowers, Lawn & Garden Tractor Seite 1 57305 - Toro 32" Lawn Tractor, 1978 (8000001-8999999) MAGNETO NO. 610842. Wählen Sie das benötigte Ersatzteil aus der Ersatzteilliste Ihres Toro Gerätes aus und bestellen Sie einfach online. Viele Toro Ersatzteile halten wir ständig in unserem Lager für Sie bereit.



