Toro 57300 (8-32) - 8-32 Front Engine Rider, 1983 (3000001-3999999) 36" SNOWTHROWER ATTACHMENT MODEL NO. 59136 (OPTIONAL) #3 Ersatzteile
36" SNOWTHROWER ATTACHMENT MODEL NO. 59136 (OPTIONAL) #3 57300 (8-32) - Toro 8-32 Front Engine Rider, 1983 (3000001-3999999)

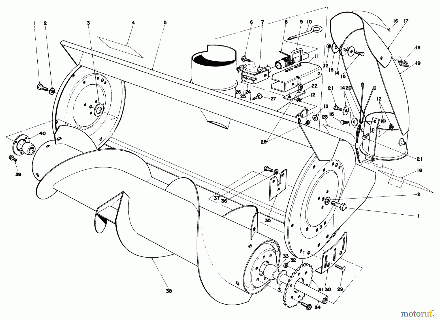
Hier finden Sie die Ersatzteilzeichnung für Toro Neu Mowers, Lawn & Garden Tractor Seite 1 57300 (8-32) - Toro 8-32 Front Engine Rider, 1983 (3000001-3999999) 36" SNOWTHROWER ATTACHMENT MODEL NO. 59136 (OPTIONAL) #3. Wählen Sie das benötigte Ersatzteil aus der Ersatzteilliste Ihres Toro Gerätes aus und bestellen Sie einfach online. Viele Toro Ersatzteile halten wir ständig in unserem Lager für Sie bereit.


Qualitätsmanagement
Informieren Sie uns, wenn Sie einen Fehler gefunden haben.



